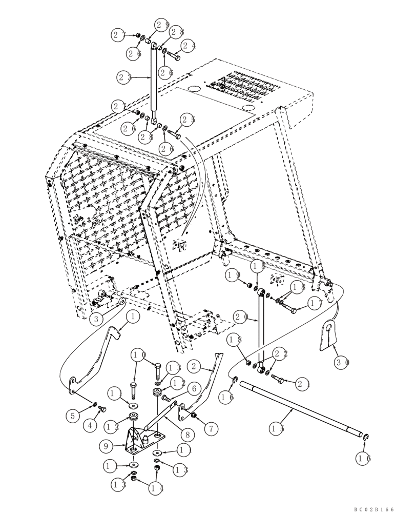
Запчасти Case IH 90XT (09-29) - CANOPY, ROPS - REAR LATCH AND PIVOT (09) - CHASSIS

Схема запчастей Case IH 90XT - (09-29) - CANOPY, ROPS - REAR LATCH AND PIVOT (09) - CHASSIS
7
30
13
15
6
4
8
9
18
1
18
29
18
21
17
3
12
27
16
11
28
26
10
13
13
24
26
27
20
11
2
19
25
16
26
bc02b166
12
23
11
26
14
28
5
22
FIT
1:1
100%

Артикул

Название

Примечание

Количество

1

87597590

LEVER

Left Hand; Replaces 328601A1

1шт.

2

87597591

LEVER

Right Hand; Replaces 328603A1

1шт.

3

257384A1

SPACER

2шт.

4

614-8020

BOLT,Hex, M8 x 1.25 x 20mm

Use Loctite No. 242

2шт.

B17577

LOCTITE

No. 242, 6 ml; Blue

1шт.

5

495-21038

WASHER,5/16"

(flat, 3/8 x 7/8 x 3/32")

2шт.

6

121-227

STEP BOLT,Hex Skt, 3/8" - 16 - 1/2" x 1/2"

2шт.

7

231-5146

FLANGE NUT,3/8"-16

2шт.

8

195366A2

PIN

2шт.

9

282300A3

SUPPORT

Right Hand

1шт.

9a

282301A3

SUPPORT

Left Hand; Not Illustrated

1шт.

10

827-12070

BOLT,Hex, M12 x 1.75 x 70mm, Cl 10.9

4шт.

11

240669A1

WASHER

6шт.

12

H426395

MOUNTING PARTS

4шт.

13

195-81030

WASHER

17/32 x 1-1/2 x 3/16

6шт.

14

832-41312

NUT,M12 x 1.75, Cl 10

4шт.

15

144345A3

PIVOT PIN,25.4mm OD x 825mm L

1шт.

16

827695C1

CIRCLIP

1 in

2шт.

17

814-10070

BOLT,Hex, M10 x 1.5 x 70mm, Cl 8.8

1шт.

18

895-15010

WASHER,11mm ID x 24mm OD x 2mm Thk

4шт.

19

832-41410

NUT,M10 x 1.5, Cl 10

4шт.

20

222490A2

GAS STRUT

235 strk

1шт.

21

814-10060

BOLT,Hex, M10 x 1.5 x 60mm, Cl 8.8

1шт.

22

895-15010

WASHER,11mm ID x 24mm OD x 2mm Thk

4шт.

23

247992A2

GAS STRUT,610mm Extended, 380mm Compressed

Gas Strut; Used on Models With Side Windows; European Models

1шт.

23

282098A1

GAS STRUT,612.1mm Extended, 377.9mm Compressed

Gas Strut; Heavy Duty; Models with Deluxe Heater

1шт.

24

814-10070

BOLT,Hex, M10 x 1.5 x 70mm, Cl 8.8

1шт.

25

814-10060

BOLT,Hex, M10 x 1.5 x 60mm, Cl 8.8

1шт.

26

895-11010

WASHER,11mm ID x 20mm OD x 2mm Thk

4-10шт.

27

832-41410

NUT,M10 x 1.5, Cl 10

If Used

2шт.

27

832-41310

NUT,M10 x 1.5, Cl 10

If Used

2шт.

28

254697A1

SPACER

3шт.

29

254698A1

SPACER

1шт.

30

295076A1

SEAL

Models with Deluxe Heater

2шт.

Выбрано товаров: 34