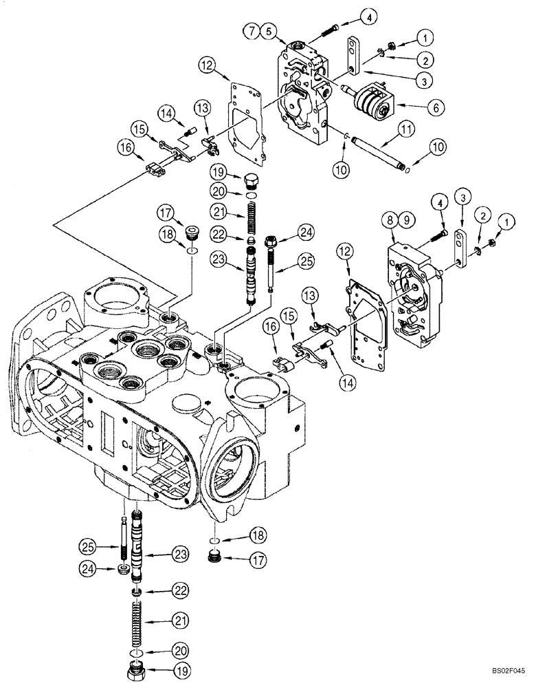
Запчасти Case IH 90XT (06-09) - PUMP, TANDEM, CONTROL (Aug 13 2010 12:27PM) (06) - POWER TRAIN

Схема запчастей Case IH 90XT - (06-09) - PUMP, TANDEM, CONTROL (Aug 13 2010 12:27PM) (06) - POWER TRAIN
24
14
3
7
4
22
20
22
1
21
6
1
19
25
13
23
4
3
17
24
13
23
5
11
10
14
25
17
16
2
2
18
16
19
15
9
21
20
18
8
10
12
15
12
FIT
1:1
100%

Артикул

Название

Примечание

Количество

*

433903A1

PUMP

See Figure 06-06; Incl. 06-07 - 06-10

1шт.

*

87297990

REMAN-HYD PUMP

Remanufactured PUMP - N.A. Only

1шт.

*

87297991

CORE-HYDRAULIC PUMP

Return No, PUMP - N.A. Only

1шт.

1

324796A1

NUT

2шт.

2

493-41033

LOCK WASHER,0.33" ID x 0.61" OD x 0.03" Thk

2шт.

3

259487A1

LEVER

2шт.

4

233022A1

SCREW

14шт.

5

372551A1

KIT

Control Block; Front Pump; Component Parts Not Serviced Separately; Incl. 372552A1; Component Of 357009A1; See Figure 06-06; No Longer Used; Order 436130A1

1шт.

6

372552A1

SOLENOID

Retained By Snap Ring 300962A1

1шт.

*

300962A1

RING, SNAP

RING SNAP

1шт.

*

300961A1

SPOOL

Brake Solenoid

1шт.

7

436130A1

KIT

Control Block; Front Pump; Incl. 436129A1, 436132A1, Not Illustrated Separately; Component Of 433903A1; See Figure 06-06

1шт.

*

436129A1

RING, SNAP

RING SNAP

1шт.

*

436132A1

SWITCH

Backup Alarm

1шт.

*

372446A1

KIT

Adapter; Not Illustrated; See Figure 06-09

1шт.

8

320274A1

SET OF PARTS

Control Block; Rear Pump; Component Parts Not Serviced Separately; Component Of 357009A1; See Figure 06-06; No Longer Available, Order 436131A1

1шт.

9

436131A1

KIT

Control Block; Rear Pump; Incl. 436129A1, 436132A1, Not Illustrated Separately; Component Of 433906A1; See Figure 06-06

1шт.

*

436129A1

RING, SNAP

RING SNAP

1шт.

*

436132A1

SWITCH

Backup Alarm

1шт.

10

238-6011

O-RING,0.07" Thk x 0.301" ID, -11, Cl 6, 90 Duro

2шт.

11

324798A1

TUBE

1шт.

12

233035A1

GASKET

2шт.

13

233024A1

JOINT

Control Spool

2шт.

14

233023A1

SCREW

2шт.

15

233026A1

JOINT

Feedback

2шт.

16

233027A1

JOINT

Adjustment

2шт.

17

71100209

PLUG,Hex Soc, 3/4"-16 ORB

Incl 18

2шт.

18

237-6008

O-RING,0.087" Thk x 0.644" ID, -908, Cl 6, 90 Duro

1шт.

19

291791A1

PLUG

Incl. 20

2шт.

20

237-6008

O-RING,0.087" Thk x 0.644" ID, -908, Cl 6, 90 Duro

2шт.

*

291115A1

SPOOL

Incl. 21 - 23

2шт.

21

291117A1

SPRING

1шт.

22

291120A1

SPRING SEAT

1шт.

23

291116A1

SPOOL

1шт.

24

233029A1

NUT

2шт.

25

324795A1

SET SCREW

2шт.

Выбрано товаров: 0