Запчасти Case IH 90XT (08-01) - HYDRAULICS - LOADER LIFT (DEC 3 2009 11:28AM) (08) - HYDRAULICS

Схема запчастей Case IH 90XT - (08-01) - HYDRAULICS - LOADER LIFT (DEC 3 2009 11:28AM) (08) - HYDRAULICS
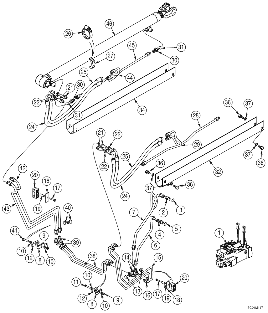
16
20
30
17
30
34
14
10
12
41
36
10
46
25
4
11
1
13
22
40
3
29
32
7
5
37
19
24
25
8
38
12
6
18
17
10
9
18
37
2
10
37
28
39
19
36
22
24
21
15
43
36
31
21
8
20
36
26
45
27
9
31
22
42
44
FIT
1:1
100%

Артикул

Название

Примечание

Количество

1

409062A2

VALVE

Control; Two Spool; See Figure 08-08, 08-09

1шт.

1

87431787

VALVE

Control; See Figure 08-08, 08-09; If Used; Replaces 409062A2

1шт.

2

218-5062

HYD CONNECTOR,7/8"-14, 37 Degree x 7/8"-14, O-Ring

7/8 fl x Or; Incl. 3

1шт.

3

237-6010

O-RING,0.097" Thk x 0.755" ID, -910, Cl 6, 90 Duro

1шт.

4

218-5107

90 ELBOW,90 Degree Elbow, 7/8" - 14 Male JIC x 7/8" - 14 Male ORB

7/8 fl x adj 0r; Incl. 5

2шт.

5

237-6010

O-RING,0.097" Thk x 0.755" ID, -910, Cl 6, 90 Duro

1шт.

6

433090A1

TUBE

Raise

1шт.

7

433093A1

TUBE

Lower

1шт.

8

D120614

CLAMP,25mm W x 68mm L x 9mm Thk

2шт.

9

832-41410

NUT,M10 x 1.5, Cl 10

1шт.

10

895-11010

WASHER,11mm ID x 20mm OD x 2mm Thk

2шт.

11

814-10045

BOLT,Hex, M10 x 1.5 x 45mm, Cl 8.8

1шт.

12

D120679

CLAMP,Tube, 1/2"

2шт.

13

218-755

CAP,37 Degree, 3/4"-16

Models without Ride Control; See Figure 08-04

2шт.

14

280107A1

TEE

2шт.

15

433096A1

TUBE

Right Hand; Lift

1шт.

16

433099A1

TUBE

Right Hand; Lift

1шт.

17

814-8045

BOLT,Hex, M8 x 1.25 x 45mm, Cl 8.8

2шт.

18

257859A1

PLATE, SPACER,31.8mm W x 68mm L x 4.76mm Thk

PLATE,SPACER

2шт.

19

259905A1

SPACER

2шт.

20

257919A1

CLAMP BRACKET

2 piece

2шт.

21

218-674

FITTING,Blkhd, 3/4"-16, 37 Degree x 3/4"-16, 37 Degree

3/4 fl x blkhd fl

4шт.

22

218-1255

BHD LOCK NUT,Blkhd, 3/4"-16

4шт.

23

103-3398

SNAP RING,#X98, .822" Dia, E-Type

8шт.

24

321513A2

HOSE ASSY.,12.7mm ID x 910mm L

910 mm (35-7/8 in); Lift Cylinder; Rod End

2шт.

25

321522A2

HOSE ASSY.,12.7mm ID x 850mm L

850 mm (33-1/2 in); Lift Cylinder; Closed End

2шт.

26

214-1452

HOSE CLAMP,#52, 2.81" - 3.75", Type F Worm

2-13/16 - 3-3/4

2шт.

27

255245A1

BLOCK

2шт.

28

257310A5

HYD TUBE,570, 51 mm Length

Right Hand; Lift Cylinder; Rod End

1шт.

29

301346A2

HYD TUBE

Right Hand; Lift Cylinder; Closed End

1шт.

30

218-5059

HYD CONNECTOR,3/4"-16, 37 Degree x 3/4"-16, O-Ring

4шт.

31

237-6008

O-RING,0.087" Thk x 0.644" ID, -908, Cl 6, 90 Duro

1шт.

32

301350A1

COVER

Right Hand; Production Only; Order 33

1шт.

33

319395A1

PROTECTOR

Right Hand; Service Replacement; Not Illustrated

1шт.

34

301351A1

COVER

Left Hand; Production Only; Order 35

1шт.

35

319394A1

PROTECTOR

Left Hand; Service Replacement; Not Illustrated

1шт.

36

614-10020

BOLT,Hex, M10 x 1.5 x 20mm, Cl 8.8, Full Thd

8шт.

37

896-15010

WASHER,11mm ID x 24mm OD x 3mm Thk

11 x 24 x 3 mm

8шт.

38

419000A1

TUBE

Left Hand; Lift

2шт.

39

218-474

ELBOW,90 Degree Elbow, 3/4" - 16 Male JIC x 3/4" - 16 Male JIC

2шт.

40

515-23127

CLAMP,1/2", Insul, 3/8" Bolt

3шт.

41

814-10050

BOLT,Hex, M10 x 1.5 x 50mm, Cl 8.8

1шт.

42

433084A1

TUBE

Left Hand; Lift

1шт.

43

433086A1

TUBE

1шт.

44

301349A2

TUBE

57 ID x 970 mm strk

2шт.

45

257315A5

TUBE,570, 51 mm Length

1шт.

46

308258A2

CYLINDER ASSY.,Double Acting, 44.4mm Rod, 970mm Stroke

57 ID x 970 mm strk; See Figure 08-11

2шт.

46

308258A2R

REMAN-HYD CYLINDER

90XT ASN JAF0320050 (NA) JAF0274262 (EU)

2шт.

46

308258A2C

REMAN-HYD CYLINDER

Return Number

2шт.

Выбрано товаров: 49