Запчасти Case IH 95XT (07-05) - MANUAL BRAKE RELEASE (07) - BRAKES

Схема запчастей Case IH 95XT - (07-05) - MANUAL BRAKE RELEASE (07) - BRAKES
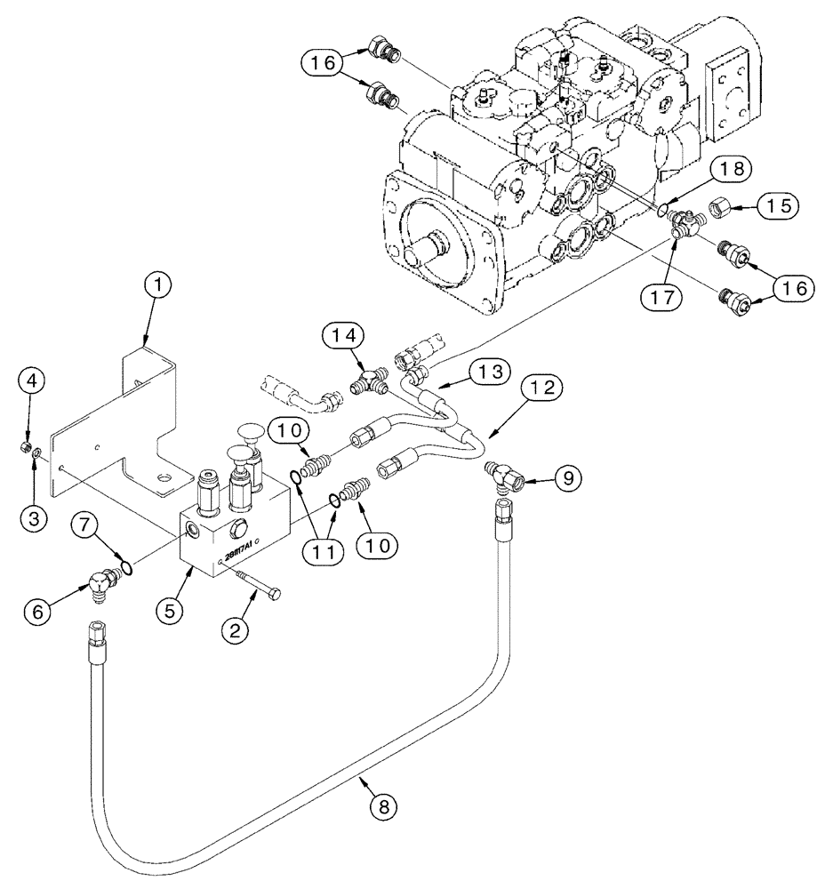
16
18
11
9
13
2
15
6
17
3
8
1
4
10
12
5
7
16
10
14
FIT
1:1
100%

Артикул

Название

Примечание

Количество

1

259781A2

SUPPORT

Replaces 259781A1

1шт.

2

814-6080

BOLT,Hex, M6 x 1 x 80mm, Cl 8.8

2шт.

3

895-11006

WASHER,6.6mm ID x 12mm OD x 1.6mm Thk

4шт.

4

832-41306

NUT,M6 x 1, Cl 10

2шт.

5

281117A2

PUMP

See Page(s) 7-11

1шт.

6

218-5105

ELBOW,90 Degree Elbow, 9/16" - 18 Male JIC x 9/16" - 18 Male ORB

9/16 fl x Or, Includes 7

1шт.

8

281132A1

HOSE ASSY.

1500 mm (59-1/8 in)

1шт.

9

218-5222

TEE,37 Degree, 9/16"-18, x 9/16"-18, Fem Sw Run

1шт.

10

218-5057

HYD CONNECTOR,9/16" - 18 JIC x 9/16" - 18 ORB

Incl. 11

2шт.

12

281133A1

HOSE ASSY.

275 mm (10-7/8 in), Upper

1шт.

13

281134A1

HOSE ASSY.

260 mm (10-1/4 in), Lower

1шт.

14

218-593

TEE,9/16"-18, 37 Degree

9/16 fl x fl x fl

1шт.

15

218-754

CAP,37 Degree, 9/16"-18

1шт.

16

221312A1

BY-PASS VALVE

4шт.

17

253266A1

TEE

Includes 18

1шт.

7

237-6006

O-RING,0.078" Thk x 0.468" ID, -906, Cl 6, 90 Duro

1шт.

11

237-6006

O-RING,0.078" Thk x 0.468" ID, -906, Cl 6, 90 Duro

1шт.

18

237-6006

O-RING,0.078" Thk x 0.468" ID, -906, Cl 6, 90 Duro

1шт.

Выбрано товаров: 18