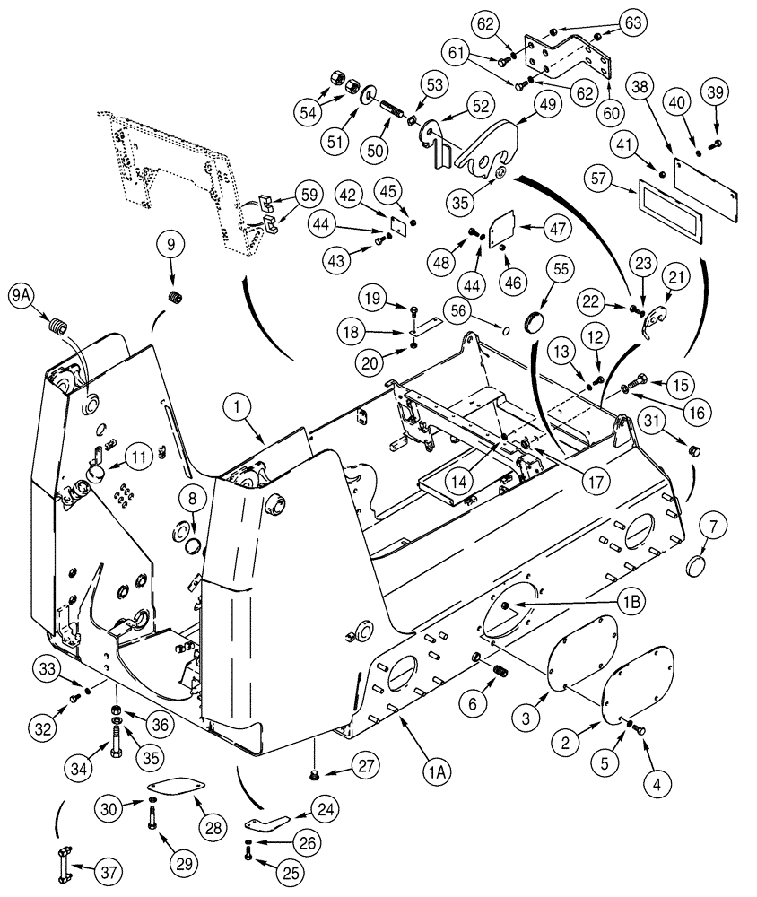
Запчасти Case IH 95XT (09-09) - CHASSIS (09) - CHASSIS/ATTACHMENTS

Схема запчастей Case IH 95XT - (09-09) - CHASSIS (09) - CHASSIS/ATTACHMENTS
29
38
34
43
60
39
25
11
2
27
47
62
32
51
31
26
19
20
37
44
9a
55
5
24
14
4
3
42
22
33
30
28
21
1b
61
16
59
46
50
35
40
6
35
8
41
45
23
62
53
13
17
18
36
63
57
56
48
1a
15
52
49
7
1
12
54
9
44
FIT
1:1
100%

Артикул

Название

Примечание

Количество

1

139731A3

CHASSIS

Includes 1A, 1B, North American Models -JAF0311356, European Models -JAF0274359

1шт.

1

427372A1

Includes 1A, 1B, North American Models JAF0311357-, European Models JAF0274360-, Not Illustrated, Order From Machinery Price List

1шт.

1a

175761A2

STUD

Use Loctite No. 592

32шт.

1b

192724A1

NUT

Use Loctite No. 592

12шт.

B17425

LOCTITE

Loctite, No. 592, 50 ml

1шт.

2

139754A1

LARGE PLATE

PLATE, LARGE

2шт.

3

195402A2

GASKET,3.2mm Thk

2шт.

4

857-12030

BOLT,Hvy Hex, M12 x 30mm, Cl 10.9

12шт.

5

254547A1

PACKING RING

12шт.

6

217-494

DRAIN PLUG,Sq Soc, 3/4" - 14 NPTF

3/4 PT

2шт.

7

220061A2

PLUG

Axle Access, 3 in

4шт.

8

D93757

CAP

Fuel Filler

1шт.

9

86625135

PLUG,1" - 11-1/2 NPT

Hydraulic Reservoir

1шт.

9a

217-445

PLUG,Hex Soc, 1-1/4" - 11-1/2 NPTF

Hydraulic Reservoir

1шт.

11

257448A1

CAP

Oil Filler, Includes 11A

1шт.

11a

292259A1

SEAL

Filler Cap, Not Illustrated

1шт.

12

614-10020

BOLT,Hex, M10 x 1.5 x 20mm, Cl 8.8, Full Thd

Optional Equipment Mounting

8шт.

14

832-41310

NUT,M10 x 1.5, Cl 10

8шт.

15

614-16035

BOLT,Hex, M16 x 2 x 35mm, Cl 8.8, Full Thd

Optional equipment mounting

2шт.

16

896-11016

WASHER,17.5mm ID x 30mm OD x 4mm Thk

2шт.

17

832-10416

NUT,M16 x 2, Cl 8

2шт.

18

254904A1

COVER

If Used

1шт.

19

614-8020

BOLT,Hex, M8 x 1.25 x 20mm

2шт.

20

829-1408

NUT,Hex, M8 x 1.25, Cl 10.9

2шт.

21

253992A1

LATCH ASSY.

ROPS, If Equipped

2шт.

22

614-10014

BOLT,Hex, M10 x 1.5 x 14mm, Cl 8.8, Full Thd

M10 x 14, Used With 21

1шт.

24

189422A1

COVER

Cover

2шт.

25

627-12030

BOLT,Hex, M12 x 1.75 x 30mm, Cl 10.9, Full Thd

4шт.

26

495-11053

WASHER,1/2", SAE

(17/32" x 1-1/16" x 3/32")

4шт.

27

86625135

PLUG,1" - 11-1/2 NPT

1шт.

28

247609A1

COVER

3шт.

29

627-12030

BOLT,Hex, M12 x 1.75 x 30mm, Cl 10.9, Full Thd

Replaces 627-12035, 35 mm long bolt used on some models

6шт.

30

896-11012

WASHER,13.5mm ID x 24mm OD x 3mm Thk

6шт.

31

A50096

VALVE

If Used

2шт.

32

627-16035

BOLT,Hex, M16 x 2 x 35mm, Cl 10.9, Full Thd

2шт.

33

232287A1

PACKING RING

2шт.

34

627-20050

BOLT,Hex, M20 x 2.5 x 50mm, Cl 10.9, Full Thd

2шт.

35

495-11081

WASHER,3/4", SAE

3шт.

36

832-41320

NUT,M20 x 2.5, Cl 10

M20; 10.9

2шт.

37

H435669

GAUGE

1шт.

38

242094A1

PLATE ASSY.

If Used

1шт.

39

614-10035

BOLT,Hex, M10 x 1.5 x 35mm, Cl 8.8, Full Thd

2шт.

41

832-41310

NUT,M10 x 1.5, Cl 10

2шт.

42

280528A1

PLATE

If Used

1шт.

43

614-6012

BOLT,Hex, M6 x 1 x 12mm, Cl 8.8, Full Thd

2шт.

44

895-11006

WASHER,6.6mm ID x 12mm OD x 1.6mm Thk

4шт.

45

829-1406

NUT,Hex, M6 x 1, Cl 10.9

M6; 10.9

2шт.

46

833-40006

SPRING NUT,M6, U

M6

2шт.

47

279409A2

SHEET

If Used

1шт.

48

614-6020

BOLT,Hex, M6 x 1 x 20mm, Cl 8.8, Full Thd

2шт.

49

294910A1

LATCH

ROPS, If Equipped

1шт.

50

294943A1

STUD

1шт.

51

294967A1

WASHER

1шт.

52

294911A1

HOOK

1шт.

53

278332A1

SPRING WASHER

1шт.

55

311212A1

COVER

70 mm dia, Models With Deluxe Heater and Air Conditioning

1шт.

56

299274A1

COVER

25 mm (1 in), Models With Heaters and Air Conditioning

1шт.

57

313322A1

SEAL

Cover Plate, Models With Deluxe Heater and Air Conditioning

1шт.

59

313231A1

BAND

30 mm (1-1/4 inch), Cable, Models With Deluxe Heater and Air Conditioning

2шт.

60

426613A1

BRACKET

Oil Filter, Models With Deluxe Heater and Air Conditioning

1шт.

61

614-10025

BOLT,Hex, M10 x 1.5 x 25mm, Cl 8.8

2шт.

63

832-41410

NUT,M10 x 1.5, Cl 10

2шт.

23

895-15010

WASHER,11mm ID x 24mm OD x 2mm Thk

Used with 21

1шт.

54

829-1410

NUT,M10 x 1.5, Cl 10.9

2шт.

13

895-11010

WASHER,11mm ID x 20mm OD x 2mm Thk

8шт.

40

895-11010

WASHER,11mm ID x 20mm OD x 2mm Thk

4шт.

62

895-11010

WASHER,11mm ID x 20mm OD x 2mm Thk

2шт.

Выбрано товаров: 0