Запчасти Case IH 95XT (02-19) - WASTEGATE ACTUATOR, 4T-390 EMISSIONS CERTIFIED ENGINE (NORTH AMERICA JAF0237964-) (02) - ENGINE

Схема запчастей Case IH 95XT - (02-19) - WASTEGATE ACTUATOR, 4T-390 EMISSIONS CERTIFIED ENGINE (NORTH AMERICA JAF0237964-) (02) - ENGINE
4
9
6
6
10
11
8
3
5
1
2
7
FIT
1:1
100%

Артикул

Название

Примечание

Количество

J804960

PACKAGE,SERVICE

Consists Of 1 - 11, Also Includes 1 - 24, See Page(s) 2-41

1шт.

JR804960

REMAN-TURBOCHARGER

Remanufactured Turbocharger

1шт.

JC592206

CORE-TURBOCHARGER

Return Part Number

1шт.

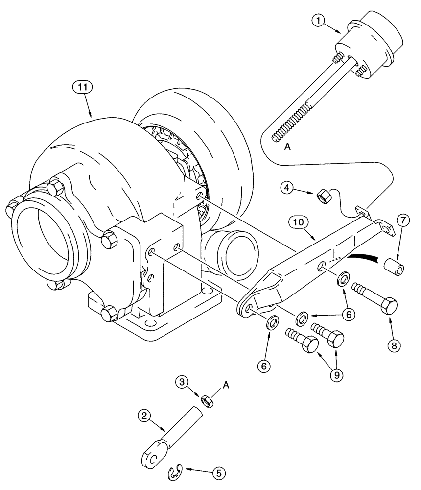
1

J539946

ACTIVATOR

1шт.

2

J528177

LINK

1шт.

3

425-155

JAM NUT,Jam, 5/16"-24, G5

1шт.

4

J528204

LOCK NUT

2шт.

5

J528221

CIRCLIP

1шт.

7

J532195

SPACER,9.38mm ID x 16.03mm OD x 13.7mm L

13,6 mm

1шт.

8

814-8035

BOLT,Hex, M8 x 1.25 x 35mm, Cl 8.8

1шт.

9

614-8020

BOLT,Hex, M8 x 1.25 x 20mm

2шт.

10

J535203

SUPPORT

1шт.

11

NSS

NOT SOLD SEPARAT

Housing

1шт.

6

895-11008

WASHER,9mm ID x 16mm OD x 1.6mm Thk

3шт.

Выбрано товаров: 14