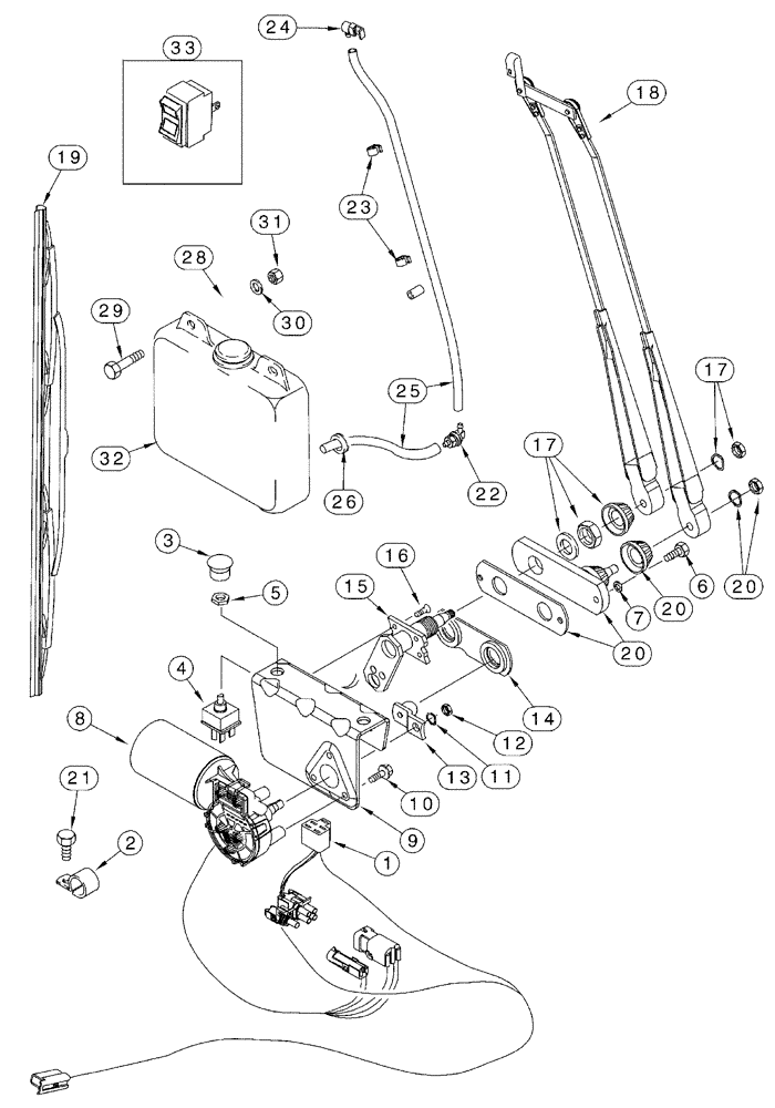
Запчасти Case IH 95XT (04-23) - WINDSHIELD WASHER & WIPER (NORTH AMERICA -JAF0311356 / EUROPE -JAF0274359) (04) - ELECTRICAL SYSTEMS

Схема запчастей Case IH 95XT - (04-23) - WINDSHIELD WASHER & WIPER (NORTH AMERICA -JAF0311356 / EUROPE -JAF0274359) (04) - ELECTRICAL SYSTEMS
22
2
17
26
9
13
21
3
31
25
20
18
15
4
6
20
8
14
19
12
16
11
23
30
28
32
24
20
1
29
10
17
7
33
5
FIT
1:1
100%

Артикул

Название

Примечание

Количество

1

255732A2

HARNESS

Wiper Motor

1шт.

2

515-21127

CLAMP,1/2", Insul, 1/4" Bolt

1шт.

3

111282C1

KNOB

1шт.

4

R52415

ROTARY SWITCH

1шт.

5

A42561

JAM NUT,Hex, 7/16" - 28, RH Thd

7/16

1шт.

6

414-412

BOLT,Hex, 1/4" - 28 x 3/4", Gr 5

1/4 NF x 3/4

1шт.

7

495-11028

WASHER,1/4", SAE

(9/32 x 5/8 x 1/16")

1шт.

233525A2

ASSEMBLY

Consists Of 8 - 20, 22 - 25

1шт.

284332A1

WIPER MOTOR

MOTOR, WIPER Consists Of 8 - 17

1шт.

8

A186256

WIPER MOTOR,12V

12V

1шт.

9

N8359

SUPPORT

1шт.

10

841-4618

SCREW,Hex Washer , M6 x 18mm, Cl 4.8

M6 x 18

3шт.

11

N8361

SPRING WASHER

1шт.

12

825-1408

NUT,M8, Cl 8

1шт.

13

N8360

SUPPORT

1шт.

14

292196A1

PITMAN

1шт.

15

292195A1

PIVOT

1шт.

16

N8356

SCREW,Phillips Drive, Flat HD, M5 x 8mm

4шт.

17

N8355

SET OF PARTS

1шт.

18

284333A1

WIPER ARM

ARM, WIPER

1шт.

19

284334A1

WIPER BLADE

BLADE, WIPER

1шт.

20

N8354

SET OF PARTS

Drive

1шт.

21

779-14613

SELF-TAP SCREW,Hex Hd, M6.3 x 13

1шт.

22

322650A1

HYD CONNECTOR

1шт.

23

325378A1

CLIP,ELECTRICAL

2шт.

24

325379A1

ORIFICE RING

1шт.

25

325381A1

LARGE HOSE

HOSE,LARGE

1шт.

26

248-1210

GROMMET,1/4" ID x 1" x .062", Diag Cut

3/4

2шт.

28

321387A1

SPACER

2шт.

29

814-8045

BOLT,Hex, M8 x 1.25 x 45mm, Cl 8.8

2шт.

31

832-41308

NUT,M8 x 1.25, Cl 10

2шт.

32

322651A1

RESERVOIR ASSY.

1шт.

33

322782A2

SWITCH

1шт.

30

895-11008

WASHER,9mm ID x 16mm OD x 1.6mm Thk

2шт.

Выбрано товаров: 34