Запчасти Case IH 95XT (08-21) - HYDRAULIC SYSTEM - BACKHOE SUPPLY AND RETURN (NORTH AMERICA) (08) - HYDRAULICS

Схема запчастей Case IH 95XT - (08-21) - HYDRAULIC SYSTEM - BACKHOE SUPPLY AND RETURN (NORTH AMERICA) (08) - HYDRAULICS
4
9
2
14
7
2
10
3
4
3
5
11
4
12
bc02f069
3
4
6
3
15
1
8
13
FIT
1:1
100%

Артикул

Название

Примечание

Количество

REF

INSTRUCTION

D125 BACKHOE; If Used

1шт.

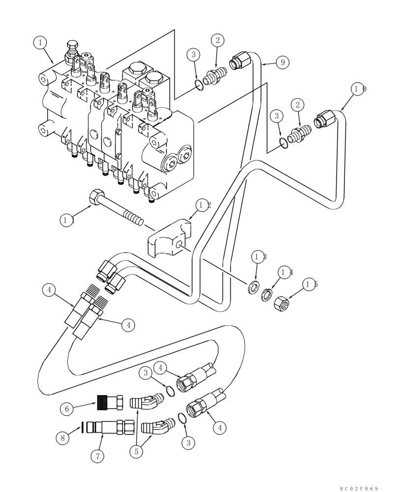
1

H674500

VALVE

Control; Backhoe; See Figure 08-28

1шт.

2

218-5062

HYD CONNECTOR,7/8"-14, 37 Degree x 7/8"-14, O-Ring

7/8 fl x Or; Incl. 3

2шт.

3

237-6010

O-RING,0.097" Thk x 0.755" ID, -910, Cl 6, 90 Duro

1шт.

4

275095A1

HOSE ASSY.

1250 mm (49-7/32 in)

2шт.

5

218-5137

ELBOW,45 Degree Elbow, 7/8" - 14 Male JIC x 7/8" - 14 Male ORB

2шт.

6

143431A1

COUPLING, QUICK, FEM

Female; Incl. 3; See Figure 08-14

1шт.

7

238243A1

COUPLING, BREAK AWAY

Male; Incl. 8; See Figure 08-14

1шт.

8

NSS

NOT SOLD SEPARAT

Seal; Order 185786A1

1шт.

185786A1

SET OF PARTS

Incl. 8

1шт.

9

259580A1

TUBE

Supply

1шт.

10

259582A1

TUBE,559, 445 mm Length

Supply

1шт.

11

413-524

BOLT,Hex, 5/16" - 18 x 1-1/2", Gr 5

1шт.

12

D120613

CLAMP,20mm ID

Plastic

1шт.

13

496-11034

WASHER,11/32" x 11/16" x 1/16", HDN

1шт.

14

492-11031

LOCK WASHER,5/16"

1шт.

15

232-4115

LOCK NUT,5/16"-18, GC

1шт.

Выбрано товаров: 0