Запчасти Case IH 95XT (09-01) - FRAME - LOADER LIFT (NOV 5 2011 10:24AM) (09) - CHASSIS

Схема запчастей Case IH 95XT - (09-01) - FRAME - LOADER LIFT (NOV 5 2011 10:24AM) (09) - CHASSIS
22
29
19
18
2
20
32
1
25
16
31
24
7
36
34
2
21
28
21
4
20
32
27
6
0
2
14
37
26
1
2
11
25
24
31
30
30
23
33
8
12
17
11
15
5
35
2
19
3
12
5
16
14
13
2
23
FIT
1:1
100%

Артикул

Название

Примечание

Количество

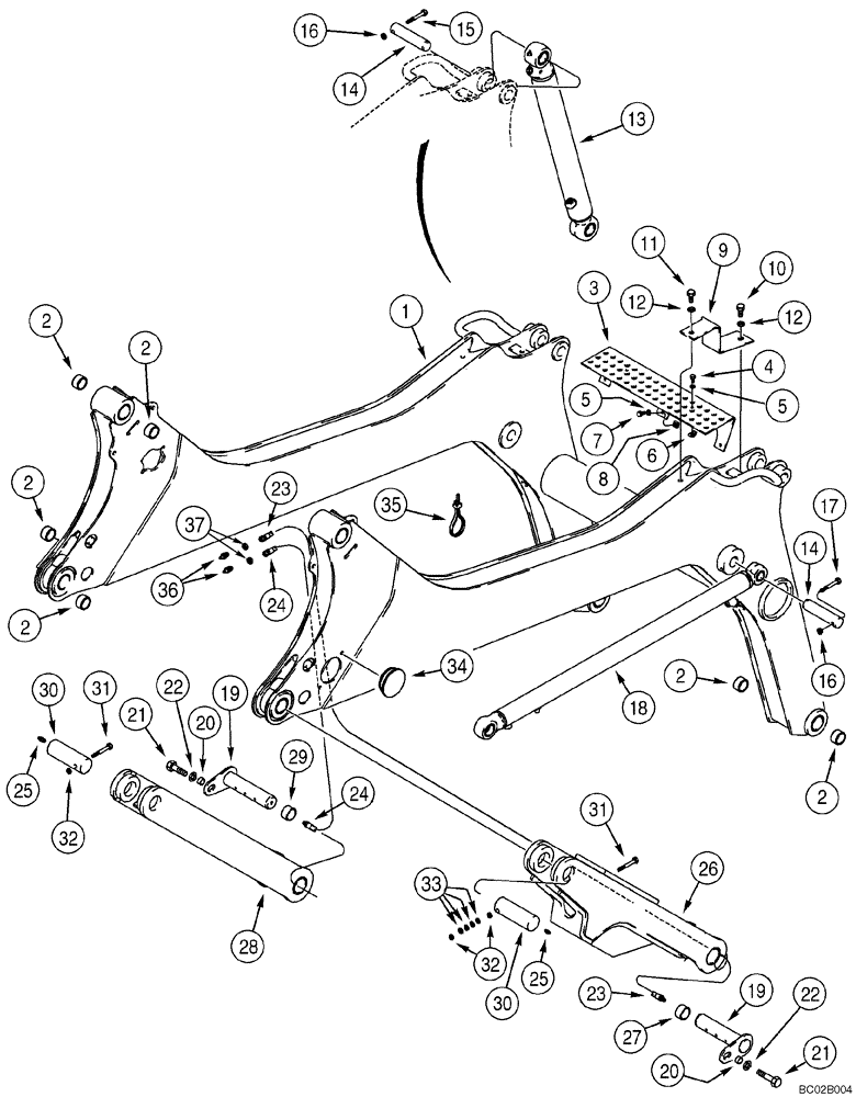
229198A6

ARM, WITH LOADER; Incl. 1, 2; Used In Production Only; For Service Order 307158A2, REF 1

1шт.

1

307158A2

ARM

Frame; Incl. 229198A6; Incl. 2; Incl. Decals

1шт.

2

141008A1

BUSHING,45.19mm ID x 55mm OD x 30mm L

12шт.

3

87620407

PLATE

476 mm (18-3/4 in) Wide; Step Upper; Replaces 87449498, 432328A1

1шт.

4

614-8025

BOLT,Hex, M8 x 1.25 x 25mm, Cl 8.8, Full Thd

2шт.

5

86624184

WASHER,9mm ID x 16mm OD x 1.6mm Thk

Replaces 895-11008

5шт.

6

833-40008

SPRING NUT,M8, U

2шт.

7

16043224

BOLT,Hex, M8 x 16mm, Cl 8.8

Replaces 614-8016

3шт.

8

229197A1

SQUARE NUT,M8 x 1.25, Cl 8

M8

3шт.

9

198786A1

COVER

For Models With Piston High Flow Hydraulics; See Figure 08-14C, Ref 5; For Models With Gear High Flow Hydraulics; See Figure 08-18, Ref 30

1шт.

10

614-10020

BOLT,Hex, M10 x 1.5 x 20mm, Cl 8.8, Full Thd

1шт.

11

614-10025

BOLT,Hex, M10 x 1.5 x 25mm, Cl 8.8

1шт.

12

895-11010

WASHER,11mm ID x 20mm OD x 2mm Thk

2шт.

13

258426A3

CYLINDER ASSY.,Double Acting, 34.9mm Rod, 525mm Stroke

70 ID x 525 mm strk; Bucket Tilt; See Figure 08-12

2шт.

13

258426A3R

Reman for new P/N 258426A3

REMAN-HYD CYLINDER

2шт.

13

258426A3C

Return Number

CORE-HYD CYLINDER

2шт.

14

139089A1

PIN,35mm OD x 149mm L

4шт.

15

814-10080

BOLT,Hex, M10 x 1.5 x 80mm, Cl 8.8

2шт.

16

832-41410

NUT,M10 x 1.5, Cl 10

4шт.

17

814-10100

BOLT,Hex, M10 x 1.5 x 100mm, Cl 8.8

2шт.

18

139091A3

CYLINDER ASSY.,Double Acting, 44.4mm Rod, 1245mm Stroke

64 ID x 1245 mm strk, 45 mm dia rod; Loader Lift; See Figure 08-11

2шт.

18

139091A3R

95XT ASN JAF0311357

REMAN-HYD CYLINDER

2шт.

18

139091A3C

Return Number

CORE-HYD CYLINDER

2шт.

18

300873A2

CYLINDER ASSY.,Double Acting, 50.8mm Rod, 1245mm Stroke

64 ID x 1245 mm strk, 50 mm dia rod; Loader Lift; Service Option - Replacement For 139091A3; See Figure 08-11A

2шт.

18

300873A2R

95XT CASE SKID STEER LOADER - ASN JAF0311357 (NA), Loader Lift

REMAN-HYD CYLINDER

2шт.

18

300873A2C

Return Number

CORE-HYD CYLINDER

2шт.

19

433198A1

PIN,45mm OD x 214mm L

2шт.

20

49335K

SPACER,1/2" X-Strng Pipe x .406"

2шт.

21

627-12035

BOLT,Hex, M12 x 1.75 x 35mm, Cl 10.9, Full Thd

2шт.

22

86625256

WASHER,13.3mm ID x 28.5mm OD x 4mm Thk

2шт.

23

1339003C1

TUBE,2032 mm L

Right Hand; If Used

1шт.

23

1339002C1

TUBE,2388 mm L

Right Hand; If Used

1шт.

24

1339006C1

TUBE,914 mm L

Left Hand

1шт.

25

219-1

LUBE NIPPLE,1/8" - 27 NPTF

2шт.

26

227539A5

ROD, CONNECTING

Right Hand; Incl. 27

1шт.

27

141008A1

BUSHING,45.19mm ID x 55mm OD x 30mm L

2шт.

28

193042A4

ROD, CONNECTING

Left Hand; Incl. 29

1шт.

29

141008A1

BUSHING,45.19mm ID x 55mm OD x 30mm L

2шт.

30

179637A1

PIN,45mm OD x 134mm L

2шт.

31

814-10110

BOLT,Hex, M10 x 1.5 x 110mm, Cl 8.8

2шт.

32

829-1410

NUT,M10 x 1.5, Cl 10.9

4шт.

33

895-11010

WASHER,11mm ID x 20mm OD x 2mm Thk

8шт.

34

313677A1

COVER

2шт.

35

L18337

CABLE TIE,9.95"-12.1" lg

CABLE STRAP 15 in

5шт.

36

219-8

LUBE NIPPLE,1/4" - 28 NPTF

2шт.

37

F53473

LOCK NUT,1/8-27 NPSM

1/8" PT

2шт.

Выбрано товаров: 46