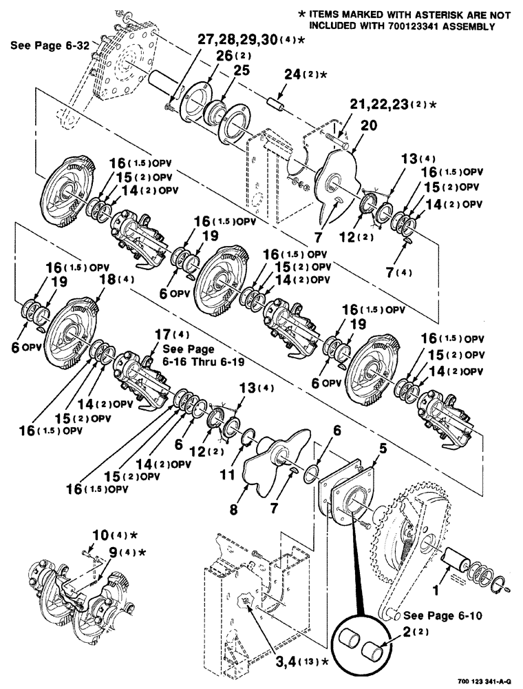
Запчасти Case IH 8576 (06-008) - KNOTTER DRIVE & CAM ASSY., 700123341 KNOTTER DRIVE & CAM ASSY. COMPLETE, S.N. CFH0113001-CFH0117286 (14) - BALE CHAMBER

Схема запчастей Case IH 8576 - (06-008) - KNOTTER DRIVE & CAM ASSY., 700123341 KNOTTER DRIVE & CAM ASSY. COMPLETE, S.N. CFH0113001-CFH0117286 (14) - BALE CHAMBER
15
12
24
15
22
3
30
7
21
16
19
18
16
8
6
10
14
14
14
2
16
9
15
11
13
6
14
17
16
6
6
15
27
1
13
16
6
7
15
14
16
16
15
7
23
12
26
20
29
16
28
16
14
4
5
25
19
19
FIT
1:1
100%

Артикул

Название

Примечание

Количество

1

700123342

SHAFT

knotter

1шт.

2

6565014

BRONZE BUSHING,89.08mm ID x 101.8mm OD x 44.58mm L

bushing

2шт.

3

413-820

BOLT,Hex, 1/2" - 13 x 1-1/4", Gr 5

13шт.

4

230-4118

LOCK NUT,1/2"-13, GA

1/2-13 HTLN GR/B

13шт.

5

6844773

ASSEMBLY

MOUNTING ASSEMBLY, Includes: Ref. 2

1шт.

6

6523500

WASHER

5шт.

7

126-40

WOODRUFF KEY,#G, 3/8" x 1 1/2"

6шт.

8

700123346

CAM

WA twine

1шт.

9

S120261

PIN

wire hair cotter, .148

4шт.

10

63586

SHAFT

3/8 x 1-1/8

4шт.

11

101-11215

SNAP RING,#215, 2.026", Ext

Retaining

1шт.

12

6591457

SHIM

HALF, adjustable

4шт.

13

168-24

DRIVE SCREW,Type U, Rnd Hd, #10 - 24 x 1/2"

round head, #10 x 1/2

8шт.

14

6613665

SHIM,57.15mm ID x 76.2mm OD x 0.13mm Thk

.005

12шт.

15

6523534

SHIM

12шт.

16

6523542

SHIM

.031

13.5шт.

17

700113321

KNOTTER

ASSEMBLY KNOTTER

4шт.

18

700138856

GEAR

knotter

4шт.

19

6591549

SPACER

3шт.

20

700123344

CAM

WA tucker

1шт.

21

413-1060

BOLT,Hex, 5/8" - 11 x 3-3/4", Gr 5

5/8-11 x 3-3/4 C

2шт.

22

495-21069

WASHER,5/8"

wide plain, 5/8

2шт.

23

232-41110

NUT,5/8"-11, GC

2шт.

24

235663

BUSHING

2шт.

25

8050478

BALL BEARING,55.56mm ID x 100mm OD x 21mm W

spherical

1шт.

26

714360

FLANGED BEARING

FLANGE

2шт.

27

433-820

CARRIAGE BOLT,Sq Nk, 1/2" - 13 x 1 1/4", Gr 5

4шт.

28

705541

WASHER,0.53" ID x 1.06" OD x 0.14" Thk

hardened plain, 1/2

4шт.

29

80679

LOCK WASHER,1/20.507 CST ZND

4шт.

30

425-108

NUT,1/2" - 13, Gr 5

4шт.

Выбрано товаров: 30