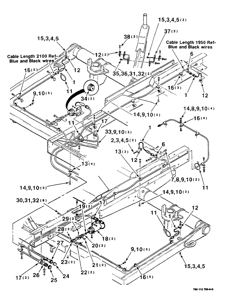
Запчасти Case IH 8581 (10-20) - ELECTRICAL ASSEMBLY, SWITCH AND SOLENOID Accumulator

Схема запчастей Case IH 8581 - (10-20) - ELECTRICAL ASSEMBLY, SWITCH AND SOLENOID Accumulator
9
28
10
1
19
24
36
14
9
16
9
38
10
35
7
11
12
4
4
27
9
11
32
31
15
8
10
16
17
9
2
10
33
14
10
13
15
21
12
12
6
34
3
26
9
3
5
18
5
32
25
3
15
31
13
14
1
15
1
9
29
10
20
10
22
12
17
4
30
5
23
16
4
10
5
11
9
37
12
8
3
14
FIT
1:1
100%

Артикул

Название

Примечание

Количество

1

700113863

SENSOR

2шт.

2

434-416

CARRIAGE BOLT,Sht Sq Nk, 1/4" - 20 x 1", Gr 5

1/4-20 X 1 RHSNB

2шт.

3

496-11028

WASHER,9/32" x 5/8" x .065, HDN

1/4 HARDENED PLAIN WASHER

6шт.

4

492-11025

LOCK WASHER,1/4"

WASHER, LOCK, 1/4"

6шт.

5

425-104

NUT,1/4"-20, Cl 5

6шт.

6

515-23190

CLAMP,3/4", Insul, 3/8" Bolt

Line 3/4", Insul, 3/8" Bolt

2шт.

7

121-226

SERRATED BOLT,Hex, 3/8" - 16 x 1"

2шт.

8

496-11041

WASHER,13/32" x 13/16" x .065", HDN

3/8 HARDENED PLAIN WASHER

6шт.

9

492-11038

LOCK WASHER,3/8"

26шт.

10

425-106

NUT,3/8"-16, Cl 5

26шт.

11

L18337

CABLE TIE,9.95"-12.1" lg

STRAP - tie, 15 inch, nylon

4шт.

12

751321

CLAMP

1/4 ID CLAMP

6шт.

13

515-25127

CLAMP,1/2", Insul, 1/2" Bolt

7шт.

14

413-616

BOLT,Hex, 3/8" - 16 x 1", Gr 5

11шт.

15

434-412

CARRIAGE BOLT,Sht Sq Nk, 1/4" - 20 x 3/4", Gr 5

1/4-20 X 3/4 RHSNB

4шт.

16

515-2395

CLAMP,3/8", Insul, 3/8" Bolt

17шт.

17

515-23254

CLAMP,1", Insul, 3/8" Bolt

4шт.

18

700706865

SOLENOID

(Includes Item 34)

2шт.

19

425-115

NUT,5/16"-24, G5

2шт.

20

66498

CLEVIS

5/16-24 CLEVIS

2шт.

21

427-5112

CLEVIS PIN,5/16" x 1 1/8"

5/16 X 1 CLEVIS PIN

2шт.

22

A8823

PIN,6.29mm OD x 26.99mm L

1/4 X 1 CLEVIS PIN

2шт.

23

6811160

LINK

WA

2шт.

24

7845852

CAP

1шт.

25

700707016

CAP

1шт.

26

700706488

WIRE HARNESS

HARNESS - accumulator

1шт.

27

700706489

WIRE HARNESS

HARNESS - bale, unload

1шт.

28

432-412

COTTER PIN,1/16" x 3/4"

PIN, SPLIT (COTTER), 1/16" x 3/4"

2шт.

29

432-812

COTTER PIN,3/4" OAL x 1/8" W

PIN, SPLIT (COTTER), 1/8" x 3/4"

2шт.

30

433-512

CARRIAGE BOLT,Sq Nk, 5/16" - 18 x 3/4", Gr 5

8шт.

31

492-11031

LOCK WASHER,5/16"

WASHER, LOCK, 5/16"

10шт.

32

425-105

NUT,5/16"-18, G5

10шт.

33

413-620

BOLT,Hex, 3/8" - 16 x 1-1/4", Gr 5

C Hex, 3/8"-16 x 1 1/4", G5, Full Thd

3шт.

34

700706998

BOOT

KIT - boot

2шт.

35

111-237

CARRIAGE BOLT,Short NK, 5/16"-18 x 1", G5

BOLT, CARRIAGE, Short NK, 5/16"-18 x 1", G5

2шт.

36

496-21034

WASHER,11/32" x 11/16" x 0.89", HDN

2шт.

37

700113856

SUPPORT

- switch

2шт.

38

700706340

MAGNET

2шт.

Выбрано товаров: 38