Запчасти Case IH 8581 (10-12) - HYDRAULIC AND ELECTRICAL ASSEMBLY Accumulator

Схема запчастей Case IH 8581 - (10-12) - HYDRAULIC AND ELECTRICAL ASSEMBLY Accumulator
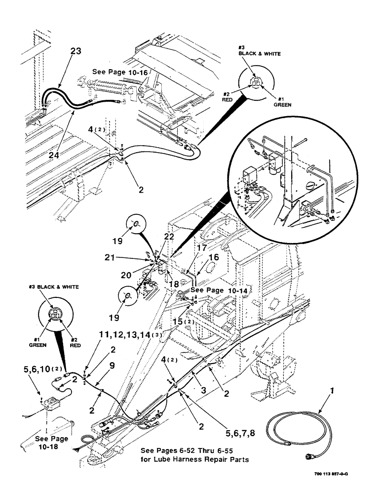
19
9
2
18
14
13
2
3
24
20
7
19
2
12
16
2
15
22
4
2
17
1
10
4
21
5
11
2
8
5
23
6
6
FIT
1:1
100%

Артикул

Название

Примечание

Количество

1

700706487

WIRE HARNESS

HARNESS - cable, bale unload (Extra)

1шт.

2

515-23159

CLAMP,5/8", Insul, 3/8" Bolt

Hose 5/8", Insul, 3/8" Bolt

6шт.

3

700706458

WIRE HARNESS

HARNESS - cable

1шт.

4

515-2363

CLAMP,M6.3, Insul, 3/8" Bolt

4шт.

5

413-516

BOLT,Hex, 5/16" - 18 x 1", Gr 5

3шт.

6

496-21034

WASHER,11/32" x 11/16" x 0.89", HDN

3шт.

7

492-11031

LOCK WASHER,5/16"

WASHER, LOCK, 5/16"

1шт.

8

425-105

NUT,5/16"-18, G5

1шт.

9

8798191

HARNESS

- cable

1шт.

10

231-5145

SERRATED NUT,Flg, USR, 5/16"-18

NUT, Flg, USR, 5/16"-18

2шт.

11

413-616

BOLT,Hex, 3/8" - 16 x 1", Gr 5

3шт.

12

496-11041

WASHER,13/32" x 13/16" x .065", HDN

3/8 HARDENED PLAIN WASHER

3шт.

13

492-11038

LOCK WASHER,3/8"

3шт.

14

425-106

NUT,3/8"-16, Cl 5

3шт.

15

218-473

ELBOW,90 Degree Elbow, 9/16" - 18 Male JIC x 9/16" - 18 Male JIC

90 DEGREE ELBOW

2шт.

16

700706396

TUBE

LINE - hydraulic

1шт.

17

700706397

TUBE

LINE - hydraulic

1шт.

18

700706395

VALVE PRESSURE RELIE

VALVE ASSEMBLY - control

1шт.

19

237-6008

O-RING,0.087" Thk x 0.644" ID, -908, Cl 6, 90 Duro

8-1, 90 Duro, .644" ID x .087" Thk

2шт.

20

218-5058

HYD CONNECTOR,9/16" - 18 Male JIC x 3/4" - 18 Male ORB

CONNECTOR - O-Ring (Includes Item 19)

1шт.

21

218-980

ELBOW,90 Degree, 9/16"-18, 37 Degree x 9/16"-18, 37 Degree Fem Sw

1шт.

22

218-5128

ELBOW,90° Elbow, 9/16" - 18 Male JIC x 3/4" - 16 Male ORB

90 DEGREE ELBOW (Incl. item 19)

1шт.

23

700706530

FLEXIBLE HOSE

HOSE - hydraulic

1шт.

24

700706848

FLEXIBLE HOSE

HOSE - hydraulic

1шт.

Выбрано товаров: 24