Запчасти Case IH 30 (D-08) - SINGLE CASTER WHEEL (44) - WHEELS

Схема запчастей Case IH 30 - (D-08) - SINGLE CASTER WHEEL (44) - WHEELS
FIT
1:1
100%

Артикул

Название

Примечание

Количество

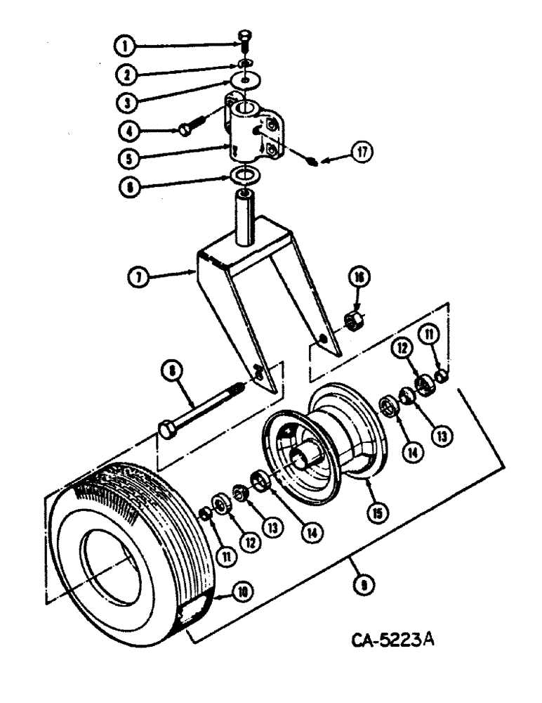
1

180175

BOLT,Hex, 1/2" - 13 x 1 1/4", Gr 5

SCREW, 1/2 x 1-1/4 znd hex-hd cap

1шт.

2

120384

WASHER,1/2"

LOCK, 1/2"

1шт.

3

64416C1

CAP, dust

1шт.

4

180130

BOLT,Hex, 3/8" - 16 x 2", Gr 5

SCREW, 3/8-16 x 2 znd hex-hd cap

4шт.

9413953

LOCK NUT,3/8"-16, GB

NUT, 3/8-16 PHC hex lock

4шт.

5

64415C1

HOUSING

1шт.

6

22051R1

WASHER

1-17/32 x 2-1/4 x .054 ga

1шт.

7

64417C1

FORK

1шт.

8

20919R1

BOLT,Hex, 3/4" - 10 x 9", Gr 5

SCREW, 3/4-10 x 9 znd hex-hd cap

1шт.

9

(Not serviced as an assembly)

1шт.

10

(Not serviced separately)

1шт.

11

64419C1

COLLAR

2шт.

12

64461C1

SEAL

grease

2шт.

13

651815R91

BEARING ASSY,7.508" ID x 17.82" OD x 6"

BEARING, cone

2шт.

13

651815R91GV

BEARING CONE

Value, Cone Bearing

2шт.

14

651814R1

BEARING CUP

BEARING, cup

2шт.

15

64418C91

WHEEL

W/CUPS, caster

1шт.

16

9413962

LOCK NUT,3/4"-10, GB

NUT, 3/4-10 znd hex. lock prevailing torque

1шт.

17

219-53

LUBE NIPPLE,65 Degree Elbow, 3/16" NPTF

FITTING, 3/16 drive 65 deg angle lub

1шт.

Выбрано товаров: 19