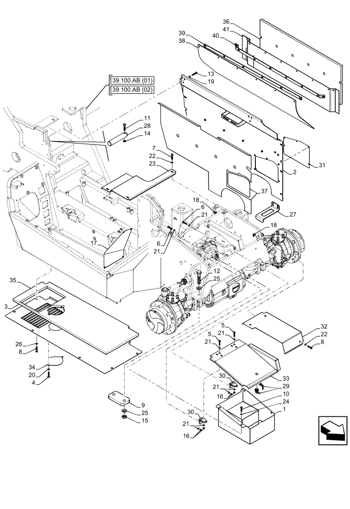
Запчасти Case IH FARMLIFT 525 (39.100.AH[01]) - FRAME, COVERS - BEGIN S/N 19019D END S/N 19021D (39) - FRAMES AND BALLASTING

Схема запчастей Case IH FARMLIFT 525 - (39.100.AH[01]) - FRAME, COVERS - BEGIN S/N 19019D END S/N 19021D (39) - FRAMES AND BALLASTING
30
4
16
30
25
10
28
6
21
40
37
11
17
16
14
21
5
3
18
13
34
2
18
39.100.ab (02)
26
9
39
35
39.100.ab (01)
41
36
24
21
1
33
5
29
15
25
32
22
21
6
21
20
8
31
7
27
12
19
22
21
38
23
8
FIT
1:1
100%

Артикул

Название

Примечание

Количество

1

47743992

TOOL BOX

1шт.

2

47672166

SIDE PLATE

1шт.

3

47672172

BASE PLATE

1шт.

4

47488698

SCREW

2шт.

5

84517395

SCREW

2шт.

6

84498388

BOLT

2шт.

7

84498569

BOLT

3шт.

8

84491898

SCREW

11шт.

9

84498681

PLATE

1шт.

10

84498648

BOLT

2шт.

11

84510579

SCREW

1шт.

12

84498678

SCREW

2шт.

13

47672136

SCREW

4шт.

14

84498572

NUT

1шт.

15

84498683

NUT

2шт.

16

84498393

NUT

4шт.

17

47673303

RADIATOR GRILLE

1шт.

18

47672179

NUT

2шт.

19

84512477

WASHER

4шт.

20

47488723

WASHER

2шт.

21

84498390

WASHER

8шт.

22

84498568

WASHER

6шт.

23

47673124

PROTECTION PLATE

1шт.

24

84498646

WASHER

2шт.

25

84498679

WASHER

2шт.

26

84525457

WASHER

8шт.

27

47743996

LOCK

1шт.

28

84510577

PIN

1шт.

29

47672201

BLOCK

1шт.

30

84498391

HINGE

2шт.

31

84534208

STEEL PLATE

1шт.

32

47780561

PROTECTION PLATE

1шт.

33

47780563

PLATE

1шт.

34

47673126

PLATE

1шт.

35

47744014

FOAM INSULATION

1шт.

36

47744039

FOAM INSULATION

1шт.

37

47796963

FOAM INSULATION

1шт.

38

47744032

FOAM INSULATION

1шт.

39

47744034

PLATE

1шт.

40

47744036

PLATE

1шт.

41

47744038

FOAM INSULATION

1шт.

Выбрано товаров: 41