Запчасти Case IH FARMLIFT 525 (41.101.AA) - STEERING COLUMN (41) - STEERING

Схема запчастей Case IH FARMLIFT 525 - (41.101.AA) - STEERING COLUMN (41) - STEERING
26
2
10
6
28
5
21
3
13
27
7
18
11
23
1
9
20
8
25
14
17
15
22
16
19
24
4
12
FIT
1:1
100%

Артикул

Название

Примечание

Количество

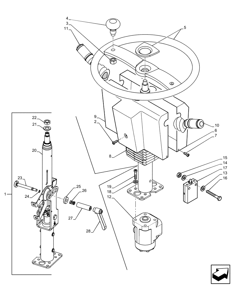
1

84499803

STEERING COLUMN

ASSY, Incl 20 - 28

1шт.

2

47673662

SCREW

1шт.

3

84499804

NUT

1шт.

4

84499806

KNOB

1шт.

5

84499808

STEERING WHEEL

1шт.

6

48036016

COVER

1шт.

7

84520014

SCREW

1шт.

8

84499811

BELLOWS

1шт.

9

48036020

COVER

1шт.

10

84497277

CONTROL LEVER

1шт.

11

84497275

LEVER

1шт.

12

84497268

HYDRAULIC STEERING

1шт.

13

84498657

WASHER

1шт.

14

84498568

WASHER

1шт.

15

84498659

NUT

1шт.

16

84510076

BOLT

1шт.

17

84497712

INCHING VALVE

1шт.

18

84492933

WASHER

1шт.

19

84510075

SCREW

1шт.

20

NSS

NOT SOLD SEPARAT

Column, Incl in 1

1шт.

21

NSS

NOT SOLD SEPARAT

Washer, Incl in 1

1шт.

22

NSS

NOT SOLD SEPARAT

Nut, Incl in 1

1шт.

23

NSS

NOT SOLD SEPARAT

Screew, Incl in 1

1шт.

24

NSS

NOT SOLD SEPARAT

Washer, Incl in 1

1шт.

25

NSS

NOT SOLD SEPARAT

Washer, Incl in 1

1шт.

26

NSS

NOT SOLD SEPARAT

Spring, Incl in 1

1шт.

27

NSS

NOT SOLD SEPARAT

Pin, Incl in 1

1шт.

28

NSS

NOT SOLD SEPARAT

Handle, Incl in 1

1шт.

Выбрано товаров: 28