Запчасти Case IH FARMLIFT 525 (89.100.AB[04]) - VAR - 749148 - CARRIER, LINES, FRONT (89) - TOOLS

Схема запчастей Case IH FARMLIFT 525 - (89.100.AB[04]) - VAR - 749148 - CARRIER, LINES, FRONT (89) - TOOLS
15
13
1
7
13
4
5
10
10
8
12
15
7
11
3
1
2
12
8
1
14
9
6
11
7
FIT
1:1
100%

Артикул

Название

Примечание

Количество

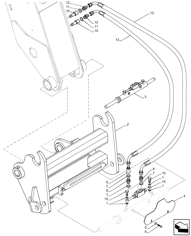
1

84551931

WASHER

4шт.

2

84536309

CARRIER

1шт.

3

47750230

HYDRAULIC CYLINDER

1шт.

4

84536320

COVER PLATE

1шт.

5

84498568

WASHER

1шт.

6

84523840

SCREW

1шт.

7

84492929

WASHER

3шт.

8

84492932

NIPPLE

2шт.

9

84535362

FITTING

1шт.

10

84511038

COUPLING, QUICK, FEM

2шт.

11

84492926

WASHER

2шт.

12

84511037

NIPPLE

2шт.

13

84536328

FLEXIBLE HOSE

2шт.

14

84551930

VALVE

1шт.

15

84511743

SCREW

2шт.

Выбрано товаров: 15