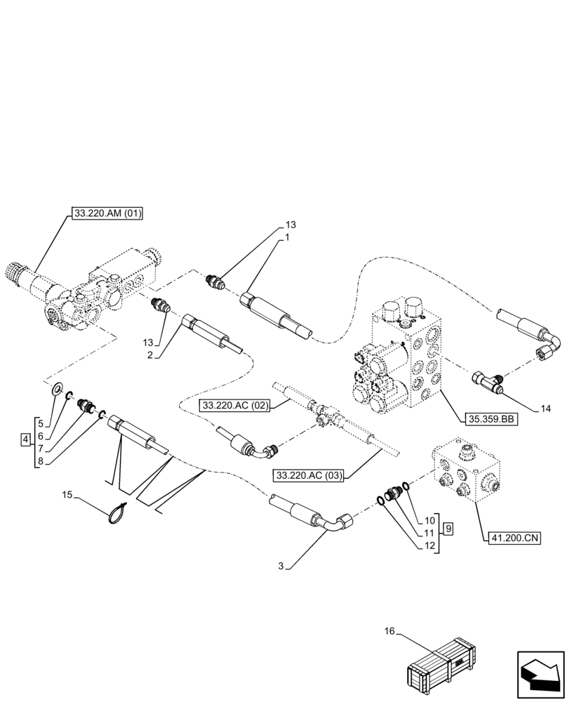
Запчасти Case IH FARMLIFT 632 (33.220.AC[04]) - VAR - 749295 - TRAILER BRAKE, LINES (33) - BRAKES & CONTROLS

Схема запчастей Case IH FARMLIFT 632 - (33.220.AC[04]) - VAR - 749295 - TRAILER BRAKE, LINES (33) - BRAKES & CONTROLS
5
9
7
6
2
4
35.359.bb
13
33.220.ac (02)
41.200.cn
13
3
33.220.am (01)
16
11
8
33.220.ac (03)
12
10
15
14
1
FIT
1:1
100%

Артикул

Название

Примечание

Количество

1

47576270

HYDRAULIC HOSE

Brake Valve Port X to Hydraulic Manifold

1шт.

2

47626267

HYDRAULIC HOSE

Brake Valve Port Y

1шт.

3

47626255

HYDRAULIC HOSE

Brake Valve Port T

1шт.

4

71484831

TEE,13/16"-16 ORFS x M18 x 1.5 ORB

ASSY, Incl 5 - 8

1шт.

5

NSS

NOT SOLD SEPARAT

Washer, Incl in 4

1шт.

6

14437985

O-RING,15.3mm ID x 2.4mm

1шт.

7

NSS

NOT SOLD SEPARAT

Connector, Incl in 4

1шт.

8

9992298

O-RING,0.07" Thk x 0.489" ID, -14, Cl 6, 90 Duro

1шт.

9

86579672

HYD CONNECTOR,11/16"-16 ORFS x M16 x 1.5 ORB

ASSY, Incl 10 - 12

1шт.

10

86598100

O-RING,2.2mm Thk x 13.3mm ID, Cl 6, 90 Duro

1шт.

11

NSS

NOT SOLD SEPARAT

Connector, Incl in 9

1шт.

12

9993141

O-RING,0.07" Thk x 0.364" ID, -12, Cl 6, 90 Duro

1шт.

13

87756251

LUBE NIPPLE,M12 x 1.5 x 34.5 L

2шт.

14

129274

TEE,9/16" - 18 JIC x 9/16" - 18 JIC x 9/16" - 18 JIC

1шт.

15

14596187

CABLE TIE,270mm L

3шт.

16

47610736

CONSTRUCTION DIA

Trailer Brake Kit, European Market, Incl 1 - 15

1шт.

To See Full DIA KIT Composition Look for all the Figures Where the DIA KIT P/N Is Shown

1шт.

Only for Models LM6.32, LM6.32 FLEX, FARMLIFT 632, LM7.35, FARMLIFT 635, LM9.35, LM9.35 FLEX, FARMLIFT 935LM7.35 DA, FARMLIFT 735 DA, LM6.32 NRC, LM7.35 NRC, LM9.35 NRC

1шт.

16

47613378

CONSTRUCTION DIA

Trailer Brake Kit, European Market, Incl 1 - 15

1шт.

To See Full DIA KIT Composition Look for all the Figures Where the DIA KIT P/N Is Shown

1шт.

Only for Models LM6.35, FARMLIFT 635, LM7.42, LM7.42 FLEX, FARMLIFT 742, LM6.35 NRC, LM7.42 NRC

1шт.

Выбрано товаров: 21