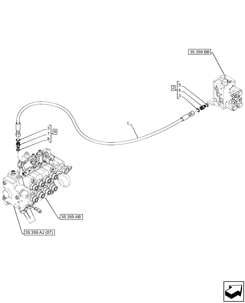
Запчасти Case IH FARMLIFT 632 (35.359.AE[02]) - CONTROL VALVE LINE, MANIFOLD, CONTROL VALVE (35) - HYDRAULIC SYSTEMS

Схема запчастей Case IH FARMLIFT 632 - (35.359.AE[02]) - CONTROL VALVE LINE, MANIFOLD, CONTROL VALVE (35) - HYDRAULIC SYSTEMS
35.359.bb
6
5
7
3
35.359.ab
2
3
8
4
35.359.aj (07)
1
FIT
1:1
100%

Артикул

Название

Примечание

Количество

1

84594556

HYDRAULIC HOSE,6.35mm ID x 1680mm L, SAE 100R6

Directional Control Valve Port Pr to Manifold Port Pilot

1шт.

2

86579671

HYD CONNECTOR,11/16" - 16 ORFS x M14 x 1.5 ORB

ASSY, Incl 3 - 5

1шт.

3

9993141

O-RING,0.07" Thk x 0.364" ID, -12, Cl 6, 90 Duro

2шт.

4

NSS

NOT SOLD SEPARAT

Connector, Incl in 2

1шт.

5

86598099

O-RING,2.2mm Thk x 11.3mm ID, Cl 6

1шт.

6

9993143

HYD CONNECTOR,11/16" - 16 ORFS x 9/16" - 18 ORB

ASSY, Incl 3, 7, 8

1шт.

7

NSS

NOT SOLD SEPARAT

Connector, Incl in 6

1шт.

8

9617873

O-RING,0.078" Thk x 0.468" ID, -906, Cl 6, 90 Duro

1шт.

Выбрано товаров: 8