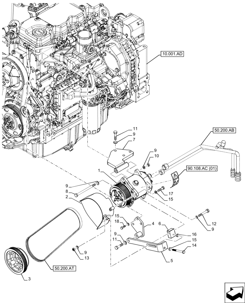
Запчасти Case IH FARMLIFT 632 (50.200.AA) - VAR - 749193 - AIR CONDITIONING, COMPRESSOR (50) - CAB CLIMATE CONTROL

Схема запчастей Case IH FARMLIFT 632 - (50.200.AA) - VAR - 749193 - AIR CONDITIONING, COMPRESSOR (50) - CAB CLIMATE CONTROL
6
13
11
18
9
15
3
5
9
9
10
17
4
11
9
15
2
90.108.ac (01)
10.001.ad
50.200.ab
9
50.200.at
12
1
8
9
15
7
16
14
FIT
1:1
100%

Артикул

Название

Примечание

Количество

1

84058795

AIR COMPRESSOR

1шт.

2

47536373

GUARD

Compressor Pulley

1шт.

3

84567400

PULLEY

1шт.

4

84533432

SUPPORT

Rear

1шт.

5

84533774

SUPPORT

1шт.

6

84533778

BLOCK

1шт.

7

84533431

SUPPORT

Upper

1шт.

8

11108831

BOLT,Hex, M10 x 130mm, Cl 10.9

1шт.

9

86624176

WASHER,11mm ID x 20mm OD x 2mm Thk

8шт.

10

8475948

NUT,M10 x 1.5, Cl 8

1шт.

11

120112

BOLT,Hex, M10 x 1.5 x 40mm, Cl 8.8, Full Thd

4шт.

12

355788

BOLT,Hex, M10 x 1.5 x 70mm, Cl 10.9

1шт.

13

87564742

NUT

1шт.

14

120108

BOLT,Hex, M8 x 1.25 x 80mm, Cl 8.8, Full Thd

1шт.

15

86624184

WASHER,9mm ID x 16mm OD x 1.6mm Thk

6шт.

16

43362

NUT,M8 x 1.25, Cl 10

1шт.

17

43235

BOLT,Hex, M8 x 1.25 x 30mm, Cl 10.9, Full Thd

2шт.

18

16043628

BOLT,Hex, M8 x 25mm, Cl 8.8

3шт.

Выбрано товаров: 18