Запчасти Case IH FARMLIFT 632 (55.302.AV) - POS BATTERY CABLE (55) - ELECTRICAL SYSTEMS

Схема запчастей Case IH FARMLIFT 632 - (55.302.AV) - POS BATTERY CABLE (55) - ELECTRICAL SYSTEMS
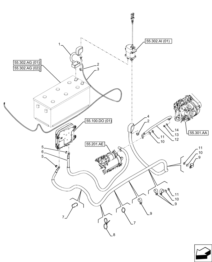
55.302.ag (02)
4
12
8
14
6
2
55.301.aa
5
55.201.ae
9
3
11
11
11
55.100.do (01)
10
7
1
55.302.ai (01)
10
10
55.302.ag (01)
2
5
13
7
9
9
FIT
1:1
100%

Артикул

Название

Примечание

Количество

1

47515296

POS BATTERY CABLE

From Battery to Positive Relay Disconnect Battery

1шт.

2

82012814

CAP,M10

2шт.

3

47515299

POS BATTERY CABLE

From Battery to Positive PDU

1шт.

4

47515298

POS BATTERY CABLE

From Relay Disconnect Battery to PDU

1шт.

The new pn (47954181) has minor length respect previous (47515298); install on starter motor directly not on PDU

1шт.

5

13046211

NUT,Flange Hex, M8

2шт.

6

84561488

ELECTRIC CABLE

From PDU To Starter Motor

1шт.

7

435437A1

CABLE TIE,3/16" x 7 1/4"

2шт.

8

82012869

CABLE TIE,300mm L, Nylon, Black

1шт.

9

9827902

CLAMP,25.4mm, Coat, 10.3mm Bolt Hole, P Type

4шт.

10

140045

BELLEVILLE WASHER,M10 Bolt Size x 22mm OD x 1.6mm Thk

3шт.

11

86500689

NUT,M10 x 1.5, Cl 10

3шт.

12

84561487

ELECTRIC CABLE

From Starter Motor to Alternator

1шт.

13

9706690

NUT,M8 x 1.25, Cl 8

1шт.

14

322358

BELLEVILLE WASHER,M8 Bolt Size x 18mm OD x 1.4mm Thk

1шт.

Выбрано товаров: 15