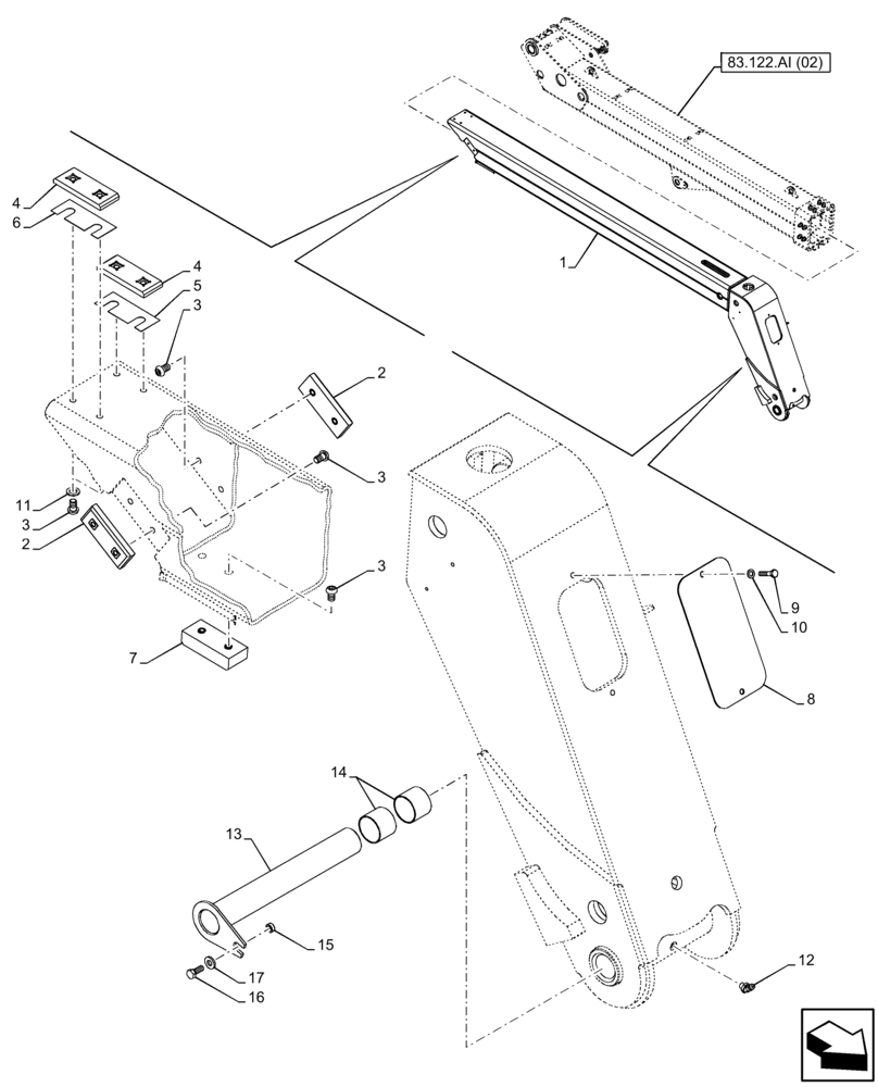
Запчасти Case IH FARMLIFT 632 (83.122.AI[02]) - BOOM EXTENSION (6M) (83) - TELESCOPIC SINGLE ARM

Схема запчастей Case IH FARMLIFT 632 - (83.122.AI[02]) - BOOM EXTENSION (6M) (83) - TELESCOPIC SINGLE ARM
4
3
7
3
13
15
9
10
3
8
5
2
4
16
3
83.122.ai (02)
17
1
6
14
2
11
12
FIT
1:1
100%

Артикул

Название

Примечание

Количество

1

84549413

ARM

1шт.

2

84526534

PAD

Side

2шт.

3

87309683

HEX SOC SCREW,BTN HD, M12 x 1.75 x 20mm, Cl 10.9

10шт.

4

47410311

PAD

Upper

2шт.

5

84595707

SHIM,60mm OD x 1mm Thk

1mm Thk

1шт.

6

84595708

SHIM,60mm OD x 0.5mm Thk

0.5mm Thk

1шт.

7

84526531

PAD

Lower

1шт.

8

84591804

PLATE

1шт.

9

412479

BOLT,Hex, M8 x 1.25 x 35mm, Cl 8.8

2шт.

10

86624184

WASHER,9mm ID x 16mm OD x 1.6mm Thk

2шт.

11

12646001

WASHER,14.4mm ID x 24mm OD x 2mm Thk

4шт.

12

13407211

LUBE NIPPLE,M10 x 1

1шт.

13

47497358

PIN

1шт.

14

84589865

BUSHING

2шт.

15

47487609

SPACER

1шт.

16

11112431

SCREW,Hex, M12 x 30mm, Cl 10.9, Full Thd

1шт.

17

86625256

WASHER,13.3mm ID x 28.5mm OD x 4mm Thk

1шт.

Выбрано товаров: 17