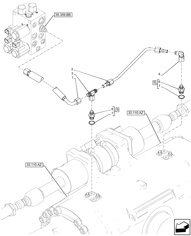
Запчасти Case IH FARMLIFT 635 (33.110.BJ) - PARKING BRAKE, LINES (33) - BRAKES & CONTROLS

Схема запчастей Case IH FARMLIFT 635 - (33.110.BJ) - PARKING BRAKE, LINES (33) - BRAKES & CONTROLS
2
4
33.110.az
7
5
35.359.bb
1
7
3
6
33.110.az
5
6
FIT
1:1
100%

Артикул

Название

Примечание

Количество

1

47583996

HYDRAULIC HOSE

1шт.

2

47583929

HYD TUBE

1шт.

3

79054252

FITTING

1шт.

4

79054282

FITTING

1шт.

5

71484502

HYD CONNECTOR

ASSY, Incl 6, 7

2шт.

6

71436160

O-RING

2шт.

7

NSS

NOT SOLD SEPARAT

Fitting, Incl in 5

2шт.

Выбрано товаров: 7