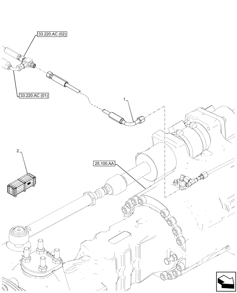
Запчасти Case IH FARMLIFT 635 (33.220.AC[03]) - VAR - 749240, 749295 - TRAILER BRAKE, LINES, FRONT AXLE (33) - BRAKES & CONTROLS

Схема запчастей Case IH FARMLIFT 635 - (33.220.AC[03]) - VAR - 749240, 749295 - TRAILER BRAKE, LINES, FRONT AXLE (33) - BRAKES & CONTROLS
33.220.ac (01)
33.220.ac (02)
25.100.aa
2
1
FIT
1:1
100%

Артикул

Название

Примечание

Количество

1

84587932

HYDRAULIC HOSE,6.35mm ID x 1650mm L, SAE 100R14

Trailer Brake to Front Axle

1шт.

2

47613378

CONSTRUCTION DIA

Trailer Brake Kit, European Market, Incl 1

1шт.

To See Full DIA KIT Composition Look for all the Figures Where the DIA KIT P/N Is Shown

1шт.

Only for Models LM6.35, FARMLIFT 635, LM7.42, LM7.42 FLEX, FARMLIFT 742, LM6.35 NRC, LM7.42 NRC

1шт.

2

47610736

CONSTRUCTION DIA

Trailer Brake Kit, European Market, Incl 1

1шт.

To See Full DIA KIT Composition Look for all the Figures Where the DIA KIT P/N Is Shown

1шт.

Only for Models LM6.32, LM6.32 FLEX, FARMLIFT 632, LM7.35, FARMLIFT 635, LM9.35, LM9.35 FLEX, FARMLIFT 935LM7.35 DA, FARMLIFT 735 DA, LM6.32 NRC, LM7.35 NRC, LM9.35 NRC

1шт.

Выбрано товаров: 7