Запчасти Case IH FARMLIFT 635 (55.512.BQ[01]) - INSTRUMENT PANEL (55) - ELECTRICAL SYSTEMS

Схема запчастей Case IH FARMLIFT 635 - (55.512.BQ[01]) - INSTRUMENT PANEL (55) - ELECTRICAL SYSTEMS
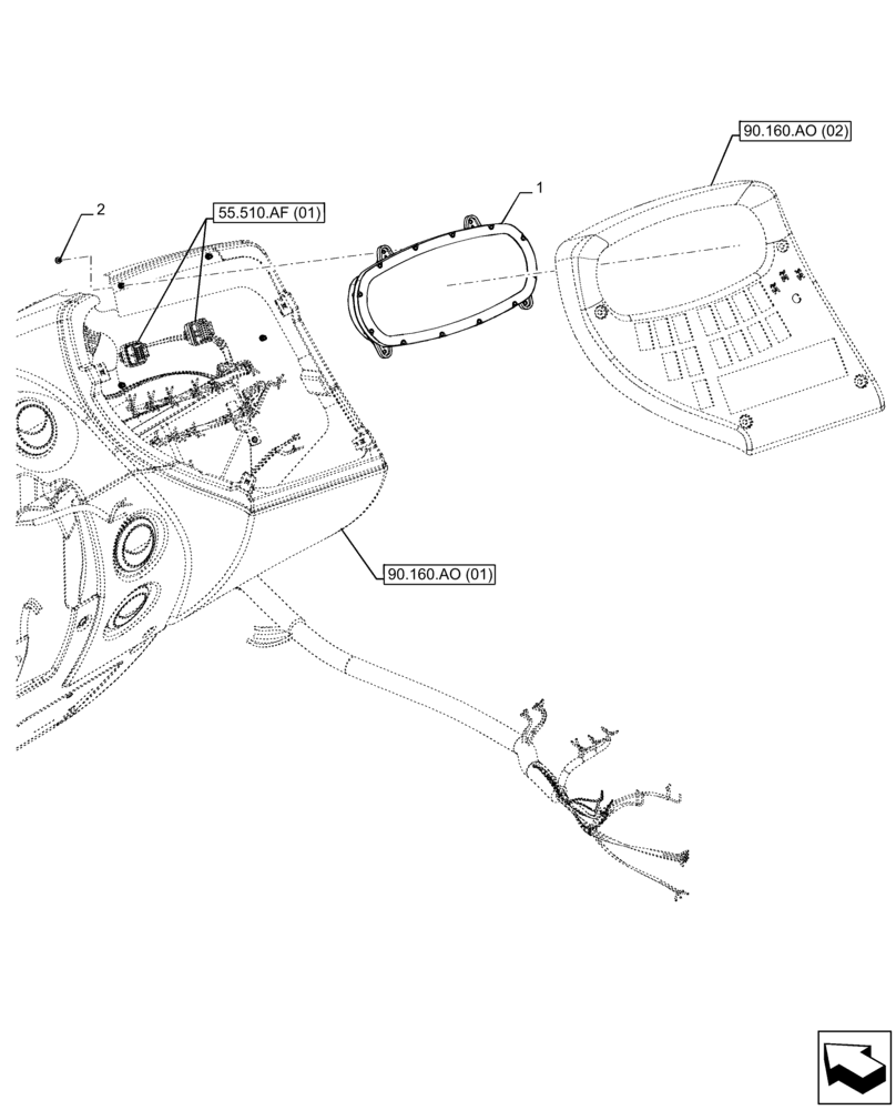
2
90.160.ao (02)
90.160.ao (01)
1
55.510.af (01)
FIT
1:1
100%

Артикул

Название

Примечание

Количество

1

47488919

INSTRUMENT CLUSTER

1шт.

2

13272014

SCREW,Pozidriv Pan Hd, M4 x 12mm, Cl 5.8

4шт.

Выбрано товаров: 2