Запчасти Case IH FARMLIFT 635 (89.100.AB[05]) - VAR - 749485 - CARRIER, FORK (89) - TOOLS

Схема запчастей Case IH FARMLIFT 635 - (89.100.AB[05]) - VAR - 749485 - CARRIER, FORK (89) - TOOLS
20
14
16
8
17
14
19
21
15
8
35.734.aa (05)
15
6
11
35.740.an (01)
3
18
6
5
7
20
9
7
4
83.122.ai (03)
19
17
21
1
6
6
19
19
13
2
12
22
10
83.122.ai (02)
8
18
FIT
1:1
100%

Артикул

Название

Примечание

Количество

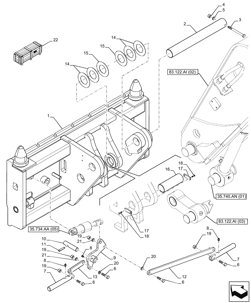
1

47489022

CARRIER

1шт.

2

47473593

PIN

1шт.

3

11115031

BOLT,Hex, M12 x 140, 10.9

1шт.

4

12577511

NUT,M12 x 1.75, Cl 8

1шт.

5

10520001

WASHER,12.2mm ID x 22mm OD x 3mm Thk

1шт.

6

15840531

BOLT,Hex, M16 x 1.5 x 50mm, Cl 10.9, Full Thd

4шт.

7

47489064

PIN

2шт.

8

13407211

LUBE NIPPLE,M10 x 1

3шт.

9

47801649

CONNECTING ROD

1шт.

10

47801631

PIN

1шт.

11

837-10060

DOWEL,M10 x 60

1шт.

12

47489059

LEVER

1шт.

13

47489063

LEVER

1шт.

14

47370166

SHIM

1mm Thk

4шт.

15

47370197

SHIM

0.5mm Thk

2шт.

16

47473596

PIN

1шт.

17

87351876

COVER PLATE

2шт.

18

9824642

BOLT,M12 x 1.75 x 42.68mm, Cl 10.9

4шт.

19

12574921

NUT,Prevailing Torque, M16, 1.5mm Pitch, 18.00mm High, Cl 10, ZND

4шт.

20

87524773

SHIM,16.3mm ID x 32mm OD x 1mm Thk

1шт.

21

13507701

WASHER,16.4mm ID x 27mm OD x 2mm Thk

2шт.

22

47871057

CONSTRUCTION DIA

Incl 1 - 21

1шт.

To See Full DIA KIT Composition Look for all the Figures Where the DIA KIT P/N Is Shown

1шт.

Only for Models LM7.35, FARMLIFT735, LM7.35 NRC

1шт.

Выбрано товаров: 24