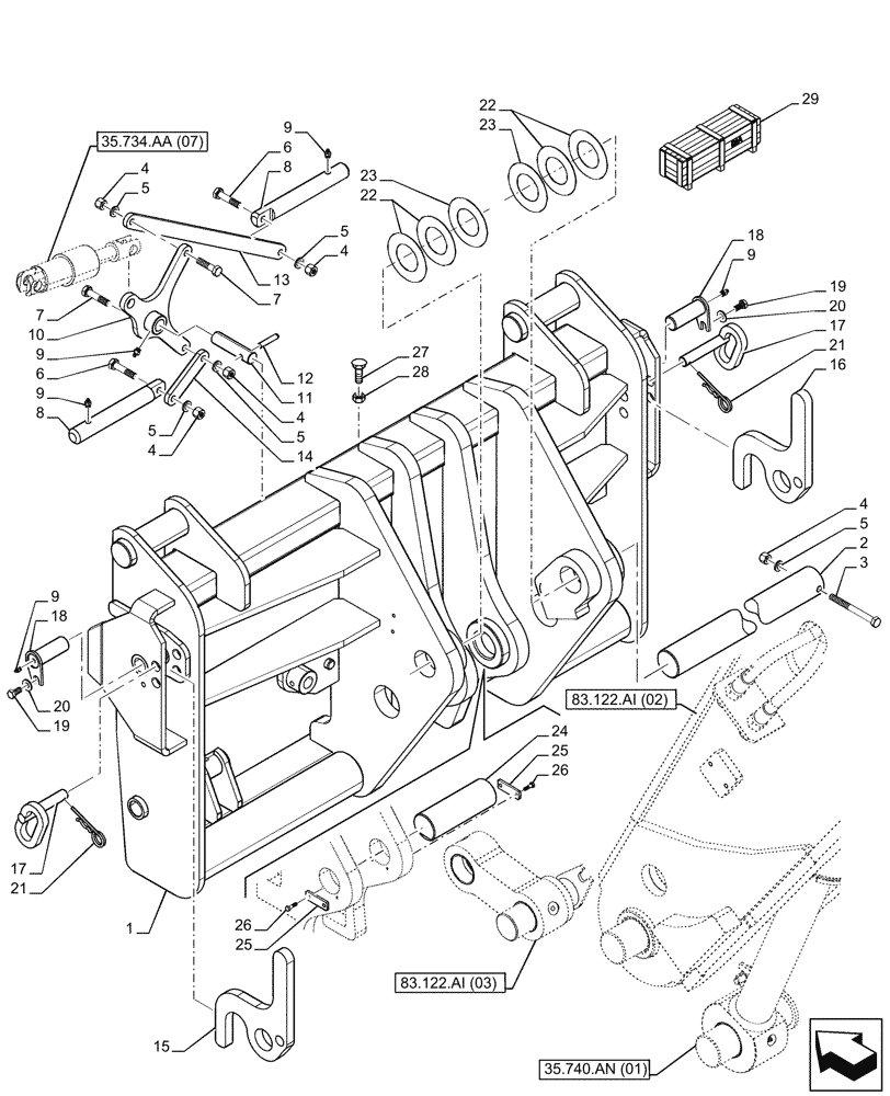
Запчасти Case IH FARMLIFT 635 (89.100.AB[06]) - VAR - 749483 - CARRIER, FORK (89) - TOOLS

Схема запчастей Case IH FARMLIFT 635 - (89.100.AB[06]) - VAR - 749483 - CARRIER, FORK (89) - TOOLS
1
9
26
5
6
27
28
3
8
15
19
4
12
21
17
23
17
4
22
29
7
25
2
21
9
4
26
35.734.aa (07)
9
20
5
25
18
14
11
24
35.740.an (01)
23
18
13
9
8
10
5
83.122.ai (02)
4
22
5
6
7
20
4
19
9
83.122.ai (03)
16
5
FIT
1:1
100%

Артикул

Название

Примечание

Количество

1

47473425

CARRIER

1шт.

2

47473593

PIN

1шт.

3

11115031

BOLT,Hex, M12 x 140, 10.9

1шт.

4

12577511

NUT,M12 x 1.75, Cl 8

5шт.

5

10520001

WASHER,12.2mm ID x 22mm OD x 3mm Thk

5шт.

6

11113331

SCREW,Hex, M12 x 55mm, Cl 10.9

2шт.

7

412087

BOLT,Hex, M12 x 1.75 x 45mm, Cl 10.9, Full Thd

2шт.

8

47473533

PIN

2шт.

9

13407211

LUBE NIPPLE,M10 x 1

5шт.

10

47801579

LINKAGE

1шт.

11

47801494

PIN

1шт.

12

837-10060

DOWEL,M10 x 60

1шт.

13

47480864

LEVER

1шт.

14

47473509

PLATE

1шт.

15

47473465

LEVER

LH

1шт.

16

47473467

LEVER

RH

1шт.

17

47473491

LOCKING HANDLE

2шт.

18

47473459

PIN

2шт.

19

43138

BOLT,Hex, M10 x 1.5 x 20mm, Cl 8.8

2шт.

20

86625253

WASHER,11mm ID x 24mm OD x 2mm Thk

2шт.

21

87613336

HAIR PIN COTTER,23mm x 97mm L

2шт.

22

84510331

SHIM,13mm ID x 30mm OD x 1mm Thk

1шт.

24

47473596

PIN

1шт.

25

47899051

PLATE

2шт.

26

9824642

BOLT,M12 x 1.75 x 42.68mm, Cl 10.9

4шт.

27

86512428

CARRIAGE BOLT,Sq Nk, M12 x 40mm, Cl 8.8, Full Thd

2шт.

28

337475

NUT,M12, Cl 10

2шт.

29

47871058

CONSTRUCTION DIA

Incl 1 - 28

1шт.

To See Full DIA KIT Composition Look for all the Figures Where the DIA KIT P/N Is Shown

1шт.

Only for Models LM7.35, FARMLIFT735, LM7.35 NRC

1шт.

Выбрано товаров: 30