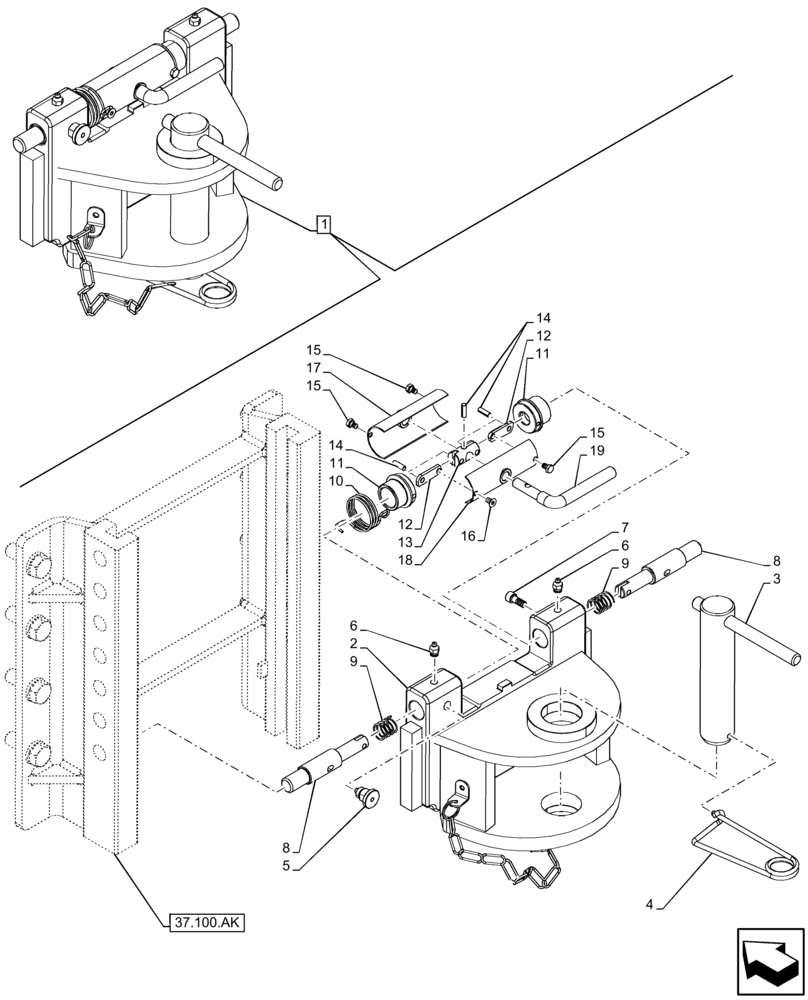
Запчасти Case IH FARMLIFT 735 (37.100.AF[03]) - VAR - 749341, 749402 - TRAILER HITCH (37) - HITCHES, DRAWBARS & IMPLEMENT COUPLINGS

Схема запчастей Case IH FARMLIFT 735 - (37.100.AF[03]) - VAR - 749341, 749402 - TRAILER HITCH (37) - HITCHES, DRAWBARS & IMPLEMENT COUPLINGS
8
16
13
17
2
4
15
12
14
11
11
9
6
9
1
12
3
15
15
8
5
7
37.100.ak
14
19
18
10
6
FIT
1:1
100%

Артикул

Название

Примечание

Количество

1

87556715

COUPLING

ASSY, Incl 2 - 19

1шт.

2

NSS

NOT SOLD SEPARAT

Support, Incl in 1

1шт.

3

87486255

PIN

1шт.

4

87491526

PIN

1шт.

5

47564070

PIN

1шт.

6

13407211

LUBE NIPPLE,M10 x 1

2шт.

7

120228

HEX SOC SCREW,M8 x 20mm, Cl 8.8, Full Thd

1шт.

8

47564081

PIN

2шт.

9

47564129

SPRING

2шт.

10

47564106

SPRING

1шт.

11

47564090

BUSHING

2шт.

12

47564084

LEVER

2шт.

13

47564088

LEVER

1шт.

14

47564123

PIN

5шт.

15

378056

BOLT,Hex, M6 x 10mm, Cl 8.8

3шт.

16

47564113

SCREW

1шт.

17

47564102

SHELL

1шт.

18

47564093

SHELL

1шт.

19

47564103

HANDLE

1шт.

Выбрано товаров: 19