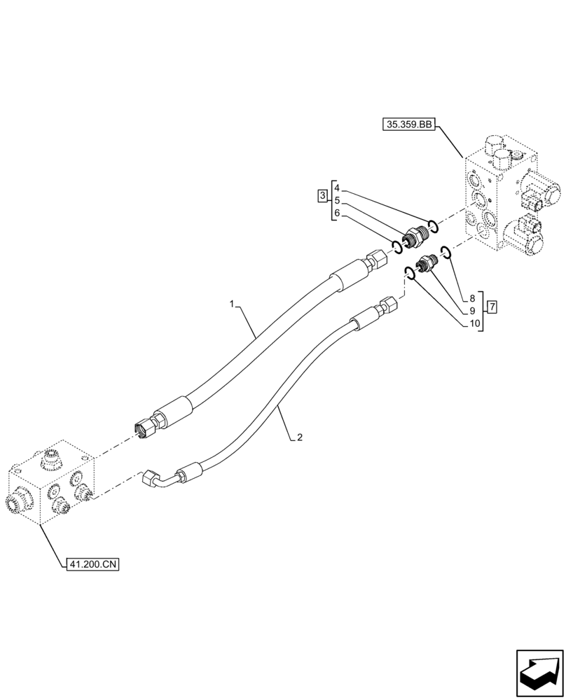
Запчасти Case IH FARMLIFT 742 (35.359.AE[03]) - CONTROL VALVE LINE, MANIFOLD, DRAIN LINE (35) - HYDRAULIC SYSTEMS

Схема запчастей Case IH FARMLIFT 742 - (35.359.AE[03]) - CONTROL VALVE LINE, MANIFOLD, DRAIN LINE (35) - HYDRAULIC SYSTEMS
7
35.359.bb
41.200.cn
6
4
1
2
8
10
9
3
5
FIT
1:1
100%

Артикул

Название

Примечание

Количество

1

84570271

HYDRAULIC HOSE,12.7mm ID x 520mm L, SAE 100R3

Manifold Port T to Drain Manifold

1шт.

2

47378132

HOSE,6.35mm ID x 585mm L, SAE 100R6

Manifold Port T1 to Drain Manifold

1шт.

3

86579678

HYD CONNECTOR,13/16"-16 ORFS x M22 x 1.5 ORB

ASSY, Incl 4 - 6

1шт.

4

86598102

O-RING,2.2mm Thk x 19.3mm ID, Cl 6, 90 Duro

1шт.

5

NSS

NOT SOLD SEPARAT

Connector, Incl in 3

1шт.

6

9992298

O-RING,0.07" Thk x 0.489" ID, -14, Cl 6, 90 Duro

1шт.

7

86579672

HYD CONNECTOR,11/16"-16 ORFS x M16 x 1.5 ORB

ASSY, Incl 8 - 10

1шт.

8

86598100

O-RING,2.2mm Thk x 13.3mm ID, Cl 6, 90 Duro

1шт.

9

NSS

NOT SOLD SEPARAT

Connector, Incl in 7

1шт.

10

9993141

O-RING,0.07" Thk x 0.364" ID, -12, Cl 6, 90 Duro

1шт.

Выбрано товаров: 10