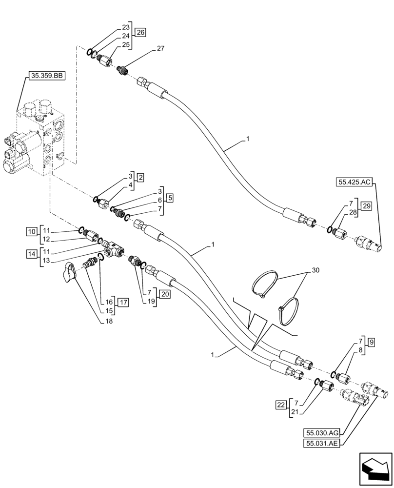
Запчасти Case IH FARMLIFT 742 (35.359.AE[04]) - CONTROL VALVE LINE, MANIFOLD, SENSOR (35) - HYDRAULIC SYSTEMS

Схема запчастей Case IH FARMLIFT 742 - (35.359.AE[04]) - CONTROL VALVE LINE, MANIFOLD, SENSOR (35) - HYDRAULIC SYSTEMS
18
1
7
20
15
11
14
12
55.425.ac
7
11
23
35.359.bb
13
3
30
9
5
19
1
7
4
27
24
6
10
29
28
2
7
25
8
16
22
1
55.030.ag
3
17
7
26
55.031.ae
21
FIT
1:1
100%

Артикул

Название

Примечание

Количество

1

47646899

HYDRAULIC HOSE

3шт.

2

47624713

ADAPTER

ASSY, Incl 3, 4

1шт.

3

84432614

O-RING,1.6mm Thk x 8.1mm ID, Cl 6, 90 Duro

2шт.

4

NSS

NOT SOLD SEPARAT

Connector, Incl in 2

1шт.

5

87016907

HYD CONNECTOR,9/16"-18 ORFS x M10 x 1 ORB

ASSY, Incl 3, 6, 7

1шт.

6

NSS

NOT SOLD SEPARAT

Connector, Incl in 5

1шт.

7

9825770

O-RING,0.07" Thk x 0.301" ID, -11, Cl 6, 90 Duro

5шт.

8

NSS

NOT SOLD SEPARAT

Connector, Incl in 9

1шт.

9

47641709

ADAPTER

ASSY, Incl 7, 8

1шт.

10

47624711

ADAPTER

ASSY, Incl 11, 12

1шт.

11

9617873

O-RING,0.078" Thk x 0.468" ID, -906, Cl 6, 90 Duro

2шт.

12

NSS

NOT SOLD SEPARAT

Connector, Incl in 10

1шт.

13

NSS

NOT SOLD SEPARAT

Tee, Incl in 14

1шт.

14

87031184

FITTING

ASSY, Incl 11, 13

1шт.

15

9968791

PLUG

1шт.

16

81845037

O-RING,0.078" Thk x 0.468" ID, -906, Cl 6, 90 Duro

1шт.

17

85817596

QUICK MALE COUPLING,9/16" Male

ASSY, Incl 15, 16

1шт.

18

5185424

DUST CAP,11.5mm ID x 81.5 L, Black

1шт.

19

NSS

NOT SOLD SEPARAT

Connector, Incl in 20

1шт.

20

85802803

FITTING,9/16"-18 ORFS x 9/16"-18 ORB

ASSY, Incl 7, 19

1шт.

21

NSS

NOT SOLD SEPARAT

Connector, Incl in 22

1шт.

22

47641708

ADAPTER

ASSY, Incl 7, 21

1шт.

23

70932571

O-RING

1шт.

24

NSS

NOT SOLD SEPARAT

Washer, Incl in 26

1шт.

25

NSS

NOT SOLD SEPARAT

Connector, Incl in 26

1шт.

26

47624710

ADAPTER

ASSY, Incl 23 - 25

1шт.

27

85803597

FITTING,9/16"-18 ORFS x 1/4" Gas

1шт.

28

NSS

NOT SOLD SEPARAT

Connector, Incl in 29

1шт.

29

47641707

ADAPTER

ASSY, Incl 7, 28

1шт.

30

14560287

CABLE TIE,207.00mm L

2шт.

Выбрано товаров: 30