Запчасти Case IH FARMLIFT 742 (35.359.AZ[01]) - CONTROL VALVE, DRAIN LINE (35) - HYDRAULIC SYSTEMS

Схема запчастей Case IH FARMLIFT 742 - (35.359.AZ[01]) - CONTROL VALVE, DRAIN LINE (35) - HYDRAULIC SYSTEMS
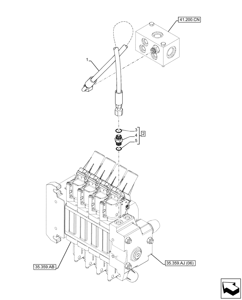
3
35.359.aj (06)
5
4
2
1
35.359.ab
41.200.cn
FIT
1:1
100%

Артикул

Название

Примечание

Количество

1

84594280

HYDRAULIC HOSE,6.35mm ID x 1100mm L, SAE 100R6

Directional Control Valve Port Tpr to Drain Manifold

1шт.

2

9993143

HYD CONNECTOR,11/16" - 16 ORFS x 9/16" - 18 ORB

ASSY, Incl 3 - 5

1шт.

3

9993141

O-RING,0.07" Thk x 0.364" ID, -12, Cl 6, 90 Duro

1шт.

4

NSS

NOT SOLD SEPARAT

Connector, Incl in 2

1шт.

5

9617873

O-RING,0.078" Thk x 0.468" ID, -906, Cl 6, 90 Duro

1шт.

Выбрано товаров: 5