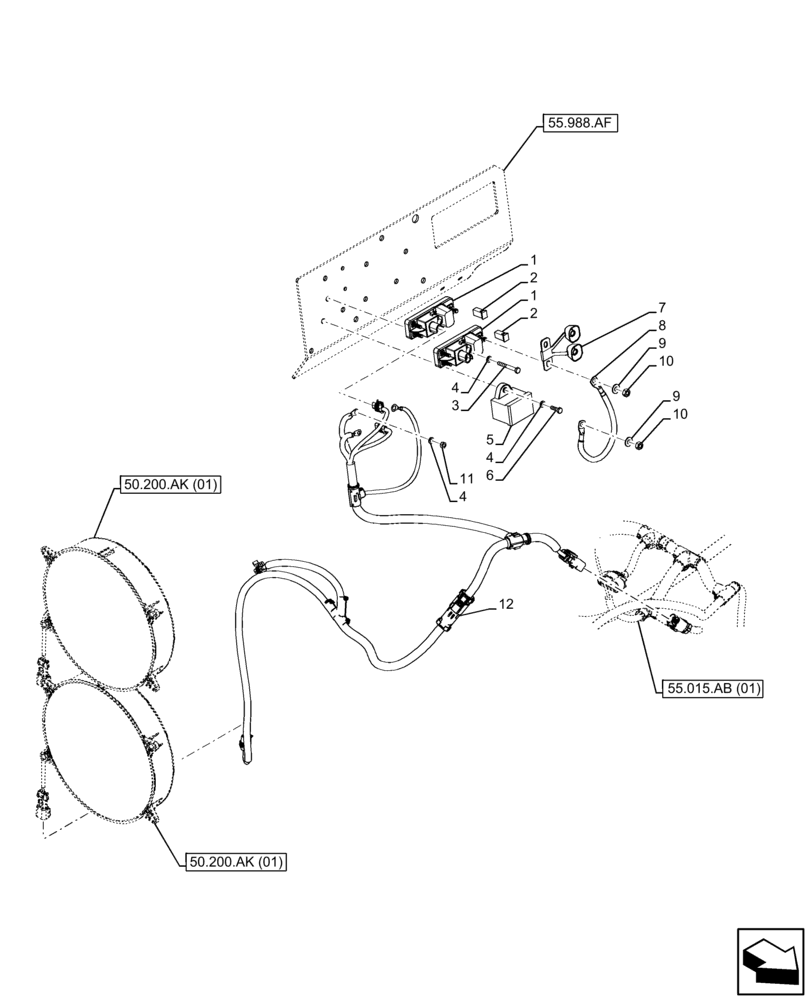
Запчасти Case IH FARMLIFT 742 (55.100.DP[02]) - WIRE HARNESS, COOLER, FAN (55) - ELECTRICAL SYSTEMS

Схема запчастей Case IH FARMLIFT 742 - (55.100.DP[02]) - WIRE HARNESS, COOLER, FAN (55) - ELECTRICAL SYSTEMS
12
1
2
11
2
3
10
8
4
4
9
5
55.015.ab (01)
6
4
7
50.200.ak (01)
1
9
50.200.ak (01)
55.988.af
10
FIT
1:1
100%

Артикул

Название

Примечание

Количество

1

87638227

RELAY

2шт.

2

87327346

FUSE,40A, Green

2шт.

3

120056

BOLT,M6 x 1.0 x 54.15mm, Cl 8.8

2шт.

4

86588450

WASHER,6.6mm ID x 12mm OD x 1.6mm Thk

5шт.

5

87616204

BOX

1шт.

6

86505530

BOLT,Hex, M6 x 1 x 20mm, Cl 10.9, Full Thd

32V 40A

1шт.

7

84192132

BAR

1шт.

8

47406857

WIRE HARNESS

12V Power Module

1шт.

9

322358

BELLEVILLE WASHER,M8 Bolt Size x 18mm OD x 1.4mm Thk

3шт.

10

16102211

NUT,M8, Cl 10

3шт.

11

9706755

NUT,M6, Cl 8

2шт.

12

47685374

WIRE HARNESS

Cooler Fan to Engine, Years: -02-JUN-15

1шт.

12

47806536

WIRE HARNESS

Cooler Fan to Engine, Start Year: 03-JUN-15

1шт.

Выбрано товаров: 13