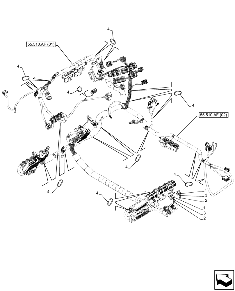
Запчасти Case IH FARMLIFT 742 (55.510.AF[03]) - CAB MAIN WIRE HARNESS, CLIP (55) - ELECTRICAL SYSTEMS

Схема запчастей Case IH FARMLIFT 742 - (55.510.AF[03]) - CAB MAIN WIRE HARNESS, CLIP (55) - ELECTRICAL SYSTEMS
4
4
4
55.510.af (01)
3
3
55.510.af (02)
2
2
1
4
4
4
1
4
4
FIT
1:1
100%

Артикул

Название

Примечание

Количество

1

10418401

RETAINER,12mm, Coat, 7mm Bolt Hole, P Type

2шт.

2

336266

NUT,M6, Cl 8

2шт.

3

86588450

WASHER,6.6mm ID x 12mm OD x 1.6mm Thk

2шт.

4

435437A1

CABLE TIE,3/16" x 7 1/4"

21шт.

Выбрано товаров: 4