Запчасти Case IH FARMLIFT 742 (55.640.AM) - FUSE BOX (55) - ELECTRICAL SYSTEMS

Схема запчастей Case IH FARMLIFT 742 - (55.640.AM) - FUSE BOX (55) - ELECTRICAL SYSTEMS
12
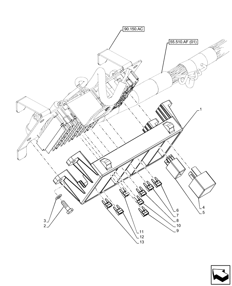
1
8
13
4
55.510.af (01)
9
3
11
90.150.ac
2
10
6
5
7
FIT
1:1
100%

Артикул

Название

Примечание

Количество

1

82039691

FUSE BOX

1шт.

2

120100

BOLT,M6 x 20mm, Cl 8.8

4шт.

3

86588450

WASHER,6.6mm ID x 12mm OD x 1.6mm Thk

4шт.

4

87341931

RELAY,Mini ISO, 12V, 70A

70A

2шт.

5

84543528

RELAY,12V, 20A, Micro

12V 10/20A

6шт.

6

84153830

FUSE,5A, Mini, Beige

5A

15шт.

7

84127703

FUSE,15A, Mini, Blue

15A

12шт.

8

84127702

FUSE,10A, Mini, Red

10A

14шт.

9

84127705

FUSE,25A, Mini, White

25A

1шт.

10

84127708

FUSE,30A, Mini, Green

30A

2шт.

11

84326484

FUSE,3A, Mini, Violet

3A

5шт.

12

84127704

FUSE,20A, Mini, Yellow

20A

2шт.

13

84152583

FUSE,7.5A, Mini, Brown

7.5A

3шт.

Выбрано товаров: 13