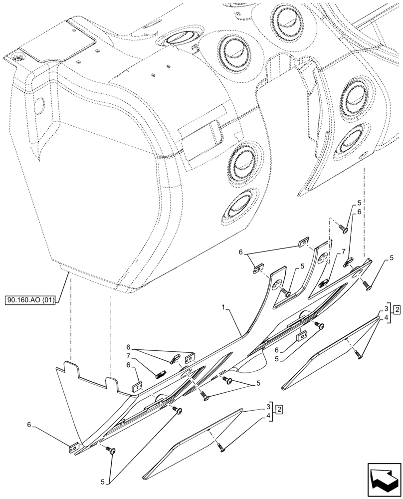
Запчасти Case IH FARMLIFT 742 (90.160.AO[03]) - INSTRUMENT CLUSTER, LOWER - END DATE 28 APRIL 2014 (90) - PLATFORM, CAB, BODYWORK AND DECALS

Схема запчастей Case IH FARMLIFT 742 - (90.160.AO[03]) - INSTRUMENT CLUSTER, LOWER - END DATE 28 APRIL 2014 (90) - PLATFORM, CAB, BODYWORK AND DECALS
90.160.ao (01)
5
2
6
4
6
1
7
3
5
5
2
5
7
6
5
5
4
6
6
3
6
FIT
1:1
100%

Артикул

Название

Примечание

Количество

1

84569743

COVER

1шт.

2

84570247

COVER

ASSY, Incl 3, 4

2шт.

3

NSS

NOT SOLD SEPARAT

Cover, Incl in 2

2шт.

4

47574400

SCREW

2шт.

5

1983037

HEX SOC SCREW,Btn Hd Flg, M6 x 16mm, Cl 10.9

8шт.

6

14371774

SPRING NUT,M6, U, 12mm long

8шт.

7

84291986

CLIP,18.8mm L x 15.9mm W

2шт.

Выбрано товаров: 7