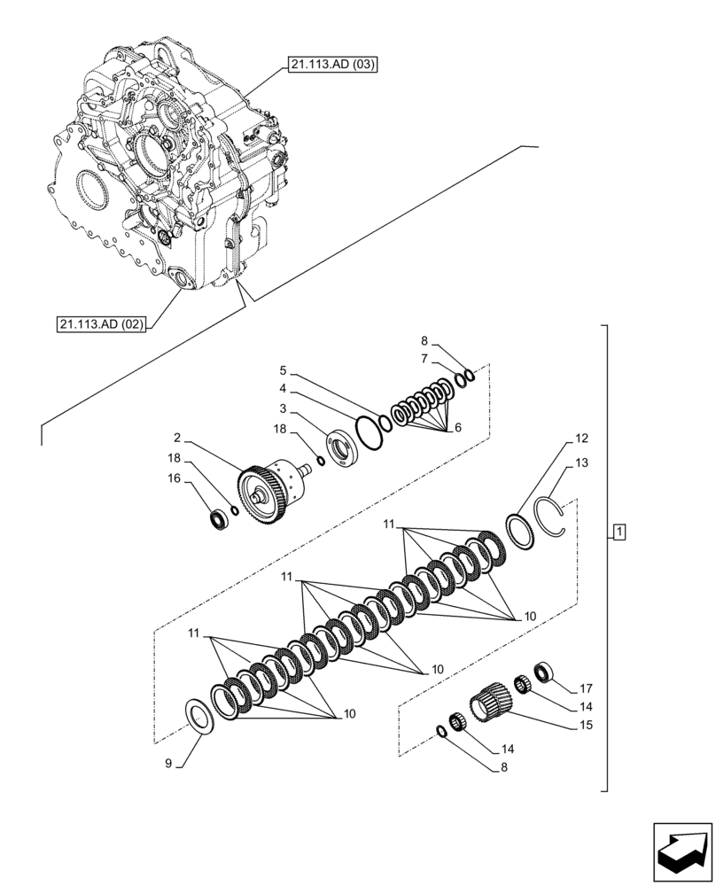
Запчасти Case IH FARMLIFT 935 (21.155.AA[03]) - TRANSMISSION, POWERSHIFT, CLUTCH, K1 (1ST GEAR) (21) - TRANSMISSION

Схема запчастей Case IH FARMLIFT 935 - (21.155.AA[03]) - TRANSMISSION, POWERSHIFT, CLUTCH, K1 (1ST GEAR) (21) - TRANSMISSION
1
7
16
9
14
4
17
5
8
15
18
13
11
21.113.ad (03)
8
10
3
14
12
10
2
11
10
6
21.113.ad (02)
11
18
FIT
1:1
100%

Артикул

Название

Примечание

Количество

1

47590373

CLUTCH

K1, ASSY, Incl 2 - 18

1шт.

2

47595969

CLUTCH INPUT SHAFT

1шт.

3

47480942

PISTON

1шт.

4

8605429

O-RING,115mm ID x 3mm Width

1шт.

5

47548036

O-RING

1шт.

6

47480990

SPRING CUP

7шт.

7

47548739

SHIM

1шт.

8

800-1140

SNAP RING,M40, Ext

2шт.

9

47590357

SPRING

Modulation

1шт.

10

47481123

CLUTCH PLATE

Inner Friction Disc

11шт.

11

47481128

CLUTCH DISC

Outer Steel Disc

11шт.

12

47481130

SHIM

1шт.

13

47548422

SNAP RING

2.00mm Thk

1шт.

13

47548433

SNAP RING

2.25mm Thk

1шт.

13

47548434

SNAP RING

2.50mm Thk

1шт.

13

47548437

SNAP RING

2.75mm Thk

1шт.

13

47548439

SNAP RING

3.00mm Thk

1шт.

13

47548442

SNAP RING

3.25mm Thk

1шт.

13

47548451

SNAP RING

3.50mm Thk

1шт.

13

47548458

SNAP RING

3.75mm Thk

1шт.

13

47548460

SNAP RING

4.00mm Thk

1шт.

14

47548753

NEEDLE BEARING

2шт.

15

47481444

CARRIER

1шт.

16

47548754

BEARING, ROLLER, CYL

1шт.

17

47548755

TAPERED BEARING

1шт.

18

47548646

RING

2шт.

Выбрано товаров: 26