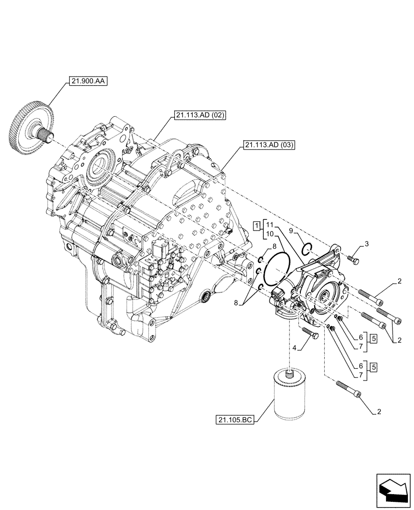
Запчасти Case IH FARMLIFT 935 (21.900.AB) - TRANSMISSION, HYDRAULIC PUMP (21) - TRANSMISSION

Схема запчастей Case IH FARMLIFT 935 - (21.900.AB) - TRANSMISSION, HYDRAULIC PUMP (21) - TRANSMISSION
21.113.ad (02)
10
6
5
2
7
2
8
11
9
3
1
2
5
6
7
8
4
21.113.ad (03)
21.105.bc
21.900.aa
FIT
1:1
100%

Артикул

Название

Примечание

Количество

1

47481646

PUMP

ASSY, Incl 10, 11

1шт.

2

47549810

SCREW

4шт.

3

100438A1

SCREW

1шт.

4

47547855

SCREW

1шт.

5

84408666

PLUG

ASSY, Incl 6, 7

2шт.

6

NSS

NOT SOLD SEPARAT

Plug, Incl in 5

2шт.

7

S300491

O-RING,8mm ID x 1.5mm Width

2шт.

8

47547879

O-RING

3шт.

9

47549809

O-RING

1шт.

10

47931241

O-RING

1шт.

11

NSS

NOT SOLD SEPARAT

Pump, Incl in 1

1шт.

Выбрано товаров: 11