Запчасти Case IH FARMLIFT 935 (35.359.AE[01]) - CONTROL VALVE LINE, MANIFOLD, PUMP, SUPPLY (35) - HYDRAULIC SYSTEMS

Схема запчастей Case IH FARMLIFT 935 - (35.359.AE[01]) - CONTROL VALVE LINE, MANIFOLD, PUMP, SUPPLY (35) - HYDRAULIC SYSTEMS
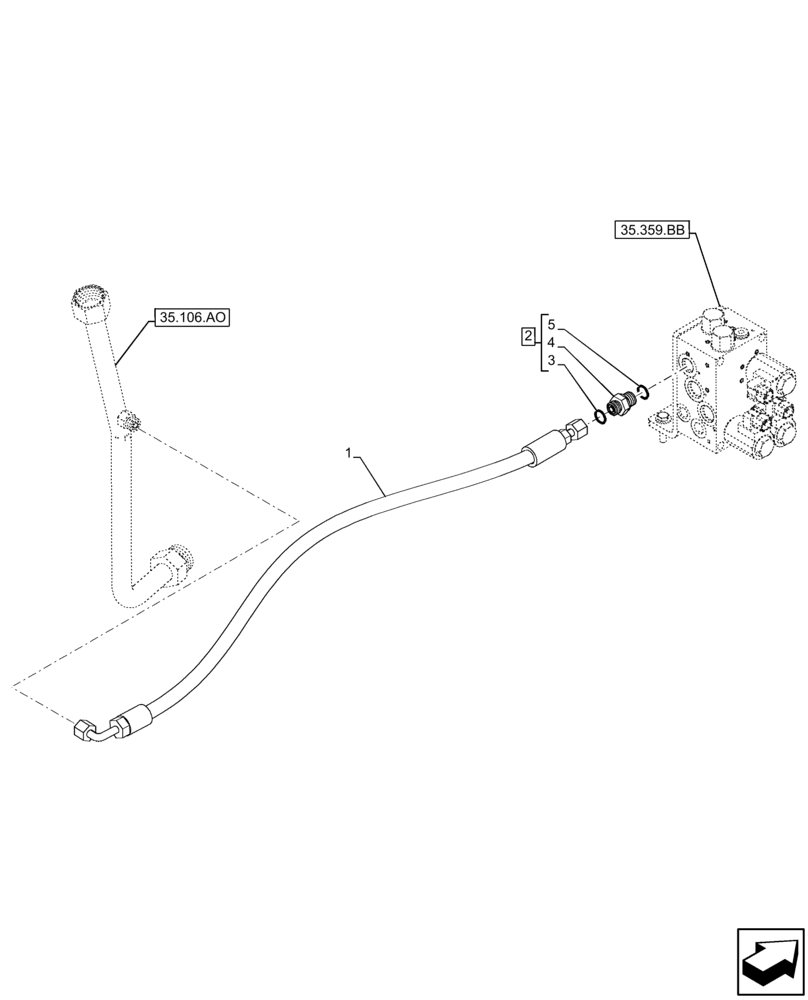
35.359.bb
2
1
35.106.ao
3
4
5
FIT
1:1
100%

Артикул

Название

Примечание

Количество

1

84540082

HYDRAULIC HOSE,9.53mm ID x 960mm L, SAE 100R16

Pump Supply Tube to Manifold Port P

1шт.

2

86579673

HYD CONNECTOR,11/16" - 16 ORFS x M18 x 1.5 ORB

ASSY, Incl 3 - 5

1шт.

3

9993141

O-RING,0.07" Thk x 0.364" ID, -12, Cl 6, 90 Duro

1шт.

4

NSS

NOT SOLD SEPARAT

Connector, Incl in 2

1шт.

5

86598101

O-RING,2.2mm Thk x 15.3mm ID, Cl 6, 90 Duro

1шт.

Выбрано товаров: 5