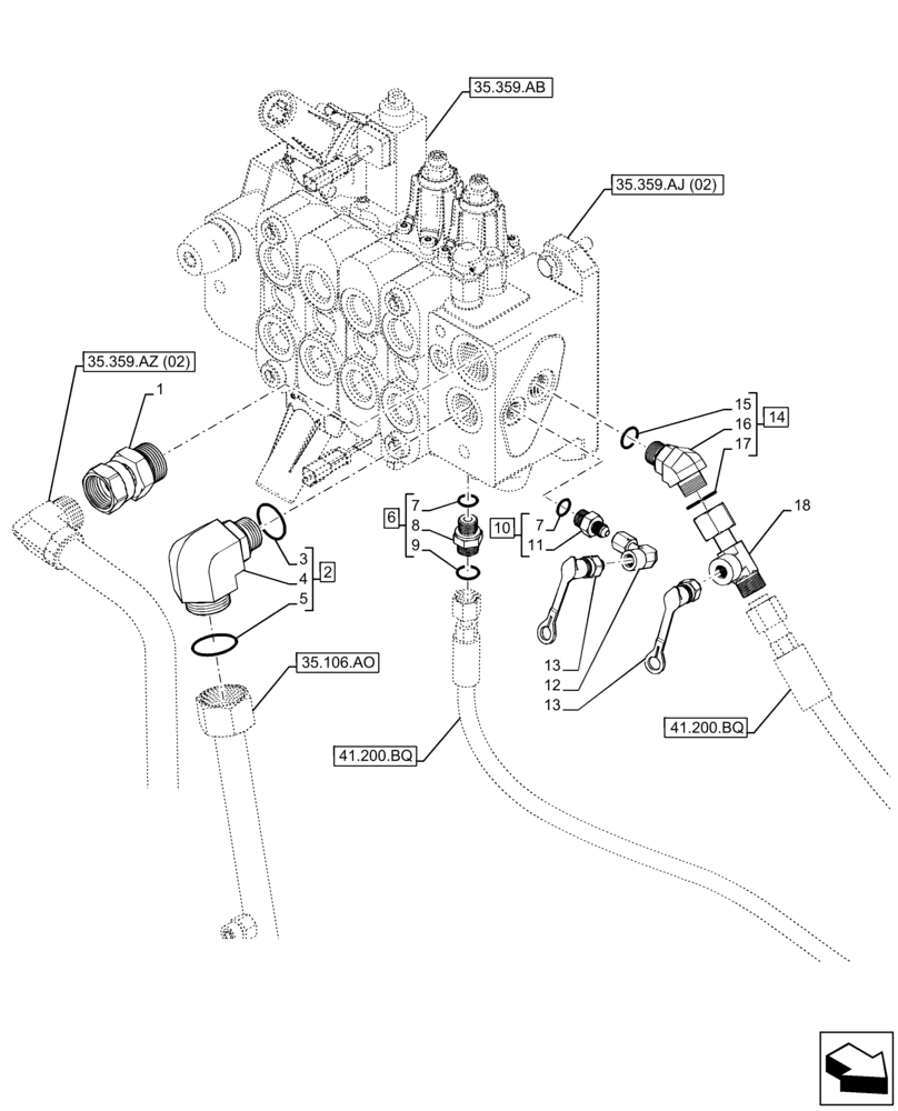
Запчасти Case IH FARMLIFT 935 (35.359.AE[06]) - CONTROL VALVE LINE, INLET SECTION, FITTING (35) - HYDRAULIC SYSTEMS

Схема запчастей Case IH FARMLIFT 935 - (35.359.AE[06]) - CONTROL VALVE LINE, INLET SECTION, FITTING (35) - HYDRAULIC SYSTEMS
8
35.359.az (02)
41.200.bq
11
2
41.200.bq
1
6
7
9
35.359.ab
18
5
35.359.aj (02)
10
4
16
13
15
12
3
7
35.106.ao
14
17
13
FIT
1:1
100%

Артикул

Название

Примечание

Количество

1

84562759

NIPPLE

1шт.

2

9846956

90 ELBOW,90 Degree, 1-7/16"-12 x 1-1/16"-12, Adj, ORFS

ASSY, Incl 3 - 5

1шт.

3

167266

O-RING,0.116" Thk x 0.924" ID, -912, Cl 6, 90 Duro

1шт.

4

NSS

NOT SOLD SEPARAT

Connector, Incl in 2

1шт.

5

9824050

O-RING,0.07" Thk x 0.926" ID, -21, Cl 6, 90 Duro

1шт.

6

9993143

HYD CONNECTOR,11/16" - 16 ORFS x 9/16" - 18 ORB

ASSY, Incl 7 - 9

1шт.

7

9617873

O-RING,0.078" Thk x 0.468" ID, -906, Cl 6, 90 Duro

2шт.

8

NSS

NOT SOLD SEPARAT

Connector, Incl in 6

1шт.

9

9993141

O-RING,0.07" Thk x 0.364" ID, -12, Cl 6, 90 Duro

1шт.

10

139398

HYD CONNECTOR,9/16" - 18 ORB x 7/16" - 20 JIC

ASSY, Incl 7, 11

1шт.

11

NSS

NOT SOLD SEPARAT

Connector, Incl in 10

1шт.

12

85823880

90 ELBOW,7/16"-20 JIC Fem x 3/8"-24 Fem

1шт.

13

76076056

QUICK MALE COUPLING

2шт.

14

86512032

ELBOW

ASSY, Incl 15 - 17

1шт.

15

128825

O-RING,0.087" Thk x 0.644" ID, -908, Cl 6, 90 Duro

1шт.

16

NSS

NOT SOLD SEPARAT

Elbow, Incl in 14

1шт.

17

9992298

O-RING,0.07" Thk x 0.489" ID, -14, Cl 6, 90 Duro

1шт.

18

85823875

TEE,13/16"-16 ORFS Male x 13/16"-16 ORFS Fem x 3/8"-24 Fem

1шт.

Выбрано товаров: 18