Запчасти Case IH FARMLIFT 935 (35.359.AE[10]) - CONTROL VALVE LINE, TELESCOPIC SECTION, HYDRAULIC LINE (35) - HYDRAULIC SYSTEMS

Схема запчастей Case IH FARMLIFT 935 - (35.359.AE[10]) - CONTROL VALVE LINE, TELESCOPIC SECTION, HYDRAULIC LINE (35) - HYDRAULIC SYSTEMS
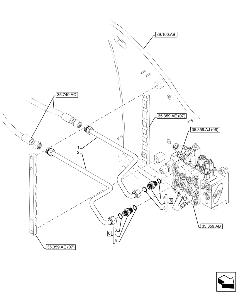
39.100.ab
1
35.359.ae (07)
35.359.ab
2
4
35.359.aj (06)
6
5
4
3
35.740.ac
3
5
6
35.359.ae (07)
FIT
1:1
100%

Артикул

Название

Примечание

Количество

1

84529629

HYD TUBE

Telescopic Boom

1шт.

2

84529637

HYD TUBE

Telescopic Boom

1шт.

3

9991976

O-RING,0.07" Thk x 0.739" ID, -18, Cl 6, 90 Duro

2шт.

4

NSS

NOT SOLD SEPARAT

Connector, Incl in 6

2шт.

5

167266

O-RING,0.116" Thk x 0.924" ID, -912, Cl 6, 90 Duro

2шт.

6

9840535

HYD CONNECTOR,1-3/16" - 12 ORFS x 1-1/16" - 12 ORB

ASSY, Incl 3 - 5

2шт.

Выбрано товаров: 6