Запчасти Case IH FARMLIFT 935 (50.000.00) - SECTION INDEX - CAB CLIMATE CONTROL (50) - CAB CLIMATE CONTROL

Схема запчастей Case IH FARMLIFT 935 - (50.000.00) - SECTION INDEX - CAB CLIMATE CONTROL (50) - CAB CLIMATE CONTROL
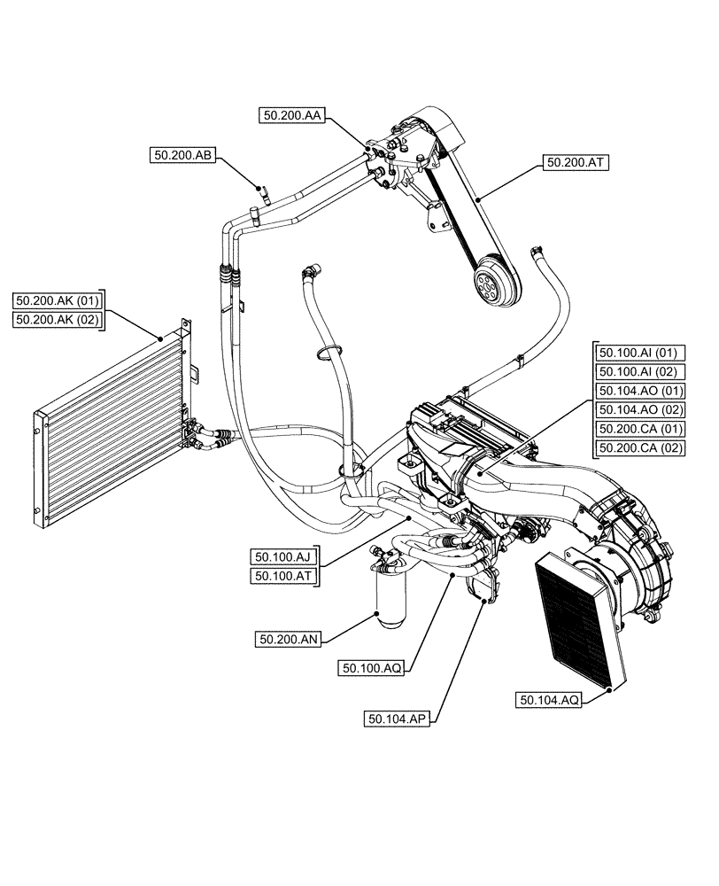
50.100.ai (02)
50.200.ca (01)
50.100.aq
50.104.aq
50.200.ak (02)
50.104.ao (02)
50.100.ai (01)
50.104.ao (01)
50.200.an
50.104.ap
50.100.aj
50.200.ca (02)
50.200.at
50.200.ab
50.200.ak (01)
50.100.at
50.200.aa
FIT
1:1
100%