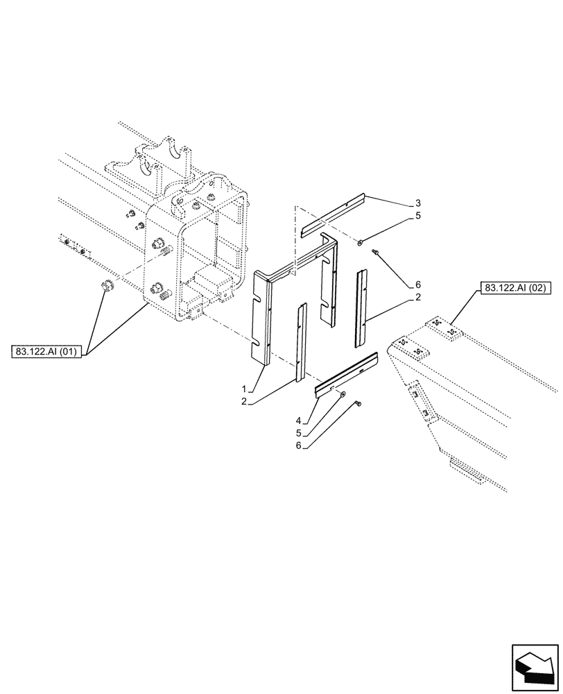
Запчасти Case IH FARMLIFT 935 (83.122.AI[05]) - VAR - 749734 - BOOM (9M), PROTECTION, DUST PLATE (83) - TELESCOPIC SINGLE ARM

Схема запчастей Case IH FARMLIFT 935 - (83.122.AI[05]) - VAR - 749734 - BOOM (9M), PROTECTION, DUST PLATE (83) - TELESCOPIC SINGLE ARM
1
5
2
83.122.ai (02)
5
3
83.122.ai (01)
6
2
4
6
FIT
1:1
100%

Артикул

Название

Примечание

Количество

1

47658870

BRUSH HOLDER

1шт.

2

47642385

BRUSH

Side

2шт.

3

47642386

BRUSH

Upper

1шт.

4

47642387

BRUSH

Lower

1шт.

5

12638104

WASHER,5.2mm ID x 14mm OD x 1mm Thk

8шт.

6

300806

BOLT,Hex, M5 x 0.8 x 10mm, Cl 8.8, Full Thd

8шт.

Выбрано товаров: 6