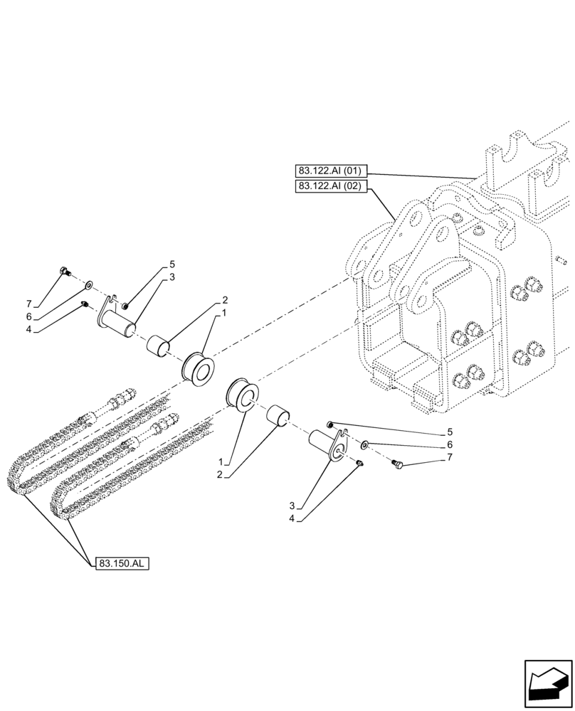
Запчасти Case IH FARMLIFT 935 (83.150.AD) - BOOM, CHAIN, PULLEY, FRONT (83) - TELESCOPIC SINGLE ARM

Схема запчастей Case IH FARMLIFT 935 - (83.150.AD) - BOOM, CHAIN, PULLEY, FRONT (83) - TELESCOPIC SINGLE ARM
7
83.122.ai (02)
4
83.150.al
7
83.122.ai (01)
3
5
5
2
4
2
6
1
1
6
3
FIT
1:1
100%

Артикул

Название

Примечание

Количество

1

87542191

PULLEY,70mm OD

Front

2шт.

2

87354909

BUSHING

2шт.

3

47497354

PIN

2шт.

4

13407211

LUBE NIPPLE,M10 x 1

2шт.

5

87342153

SPACER,10.34mm ID x 15.88mm OD x 6.3mm L

2шт.

6

86625253

WASHER,11mm ID x 24mm OD x 2mm Thk

2шт.

7

11106031

BOLT,Hex, M10 x 1.5 x 20mm, Cl 10.9

2шт.

Выбрано товаров: 7