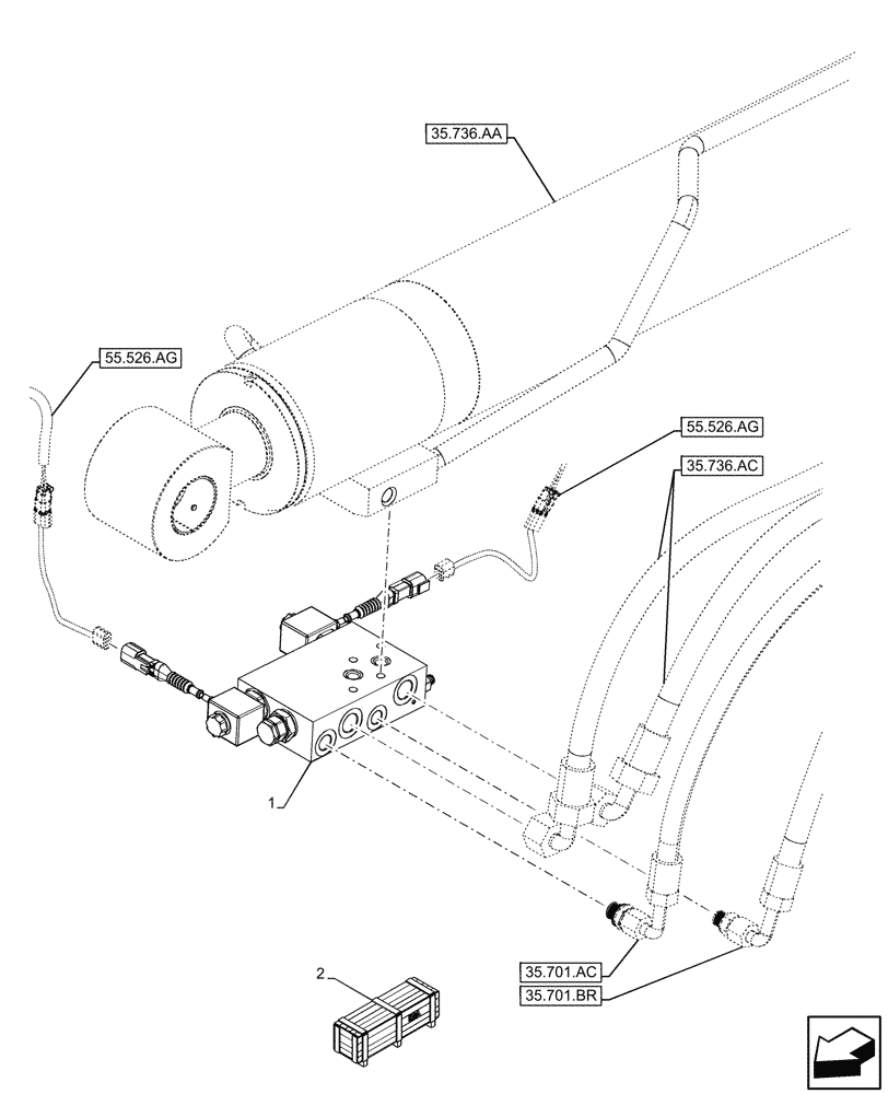
Запчасти Case IH FARMLIFT 935 (88.100.35[07]) - RIDE CONTROL, VALVE (88) - ACCESSORIES

Схема запчастей Case IH FARMLIFT 935 - (88.100.35[07]) - RIDE CONTROL, VALVE (88) - ACCESSORIES
35.701.ac
35.736.ac
2
35.736.aa
55.526.ag
1
55.526.ag
35.701.br
FIT
1:1
100%

Артикул

Название

Примечание

Количество

1

47470611

VALVE

Ride Control

1шт.

2

47926980

CONSTRUCTION DIA

Incl 1

1шт.

To See Full DIA KIT Composition Look for all the Figures Where the DIA KIT P/N Is Shown

1шт.

Only for Models LM6.32, LM6.35, LM6.32 FLEX, FARMLIFT 632, FARMLIFT 635, LM7.35, LM7.42, LM7.42 FLEX, LM7.35 DA, FARMLIFT 735, FARMLIFT 742, FARMLIFT 735 DA, LM9.35, LM9.35 FLEX, FARMLIFT 935

1шт.

Выбрано товаров: 4