Запчасти Case IH 1200 (184) - FRAME DRAWBAR AND ATTACHING PARTS (09) - CHASSIS

Схема запчастей Case IH 1200 - (184) - FRAME DRAWBAR AND ATTACHING PARTS (09) - CHASSIS
21
15
32
26
18
20
11
5
17
46
35
34
36
4
39
23
40
31
25
3
1
43
27
22
19
30
7
38
12
45
37
44
41
29
23
6
8
13
33
10
13
24
2
14
16
28
20
9
FIT
1:1
100%

Артикул

Название

Примечание

Количество

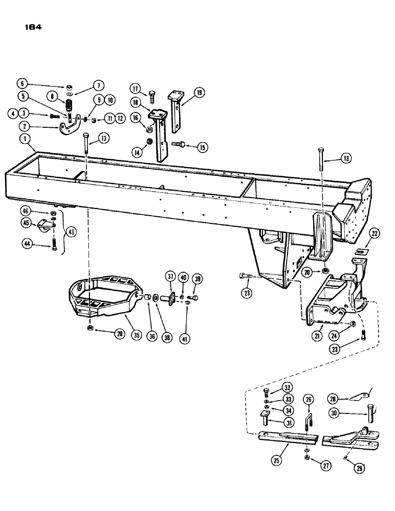
1

L11646

FRAME ASSY. - TRACTOR

1шт.

2

A55292

SUPPORT - engine front

1шт.

3

15-1240

X

BOLT - support, 3/4 x 2-1/2" N.C. hex. hd.

1шт.

4

15-1244

BOLT

- support, 3/4 x 2-3/4" N.C. hex. hd.

1шт.

5

A12226

STUD - engine front mounting

1шт.

6

131-17

LOCK NUT

NUT - stud, 7/8" N.F. hex. (Essna lock)

1шт.

7

195-49

WASHER

- plain, 7/8"

3шт.

8

A12227

VALVE SPRING

SPRING - engine mounting stud

1шт.

9

92-12

LOCK WASHER,3/4"

WASHER, LOCK, 3/4"

2шт.

10

193-15

LOCK WASHER,Ext Tooth, 3/4"

WASHER, LOCK, Ext Tooth, 3/4"

2шт.

11

25-1012

NUT,3/4"-10, G5

Mounting bolt 3/4"-10, G5

1шт.

12

25-1412

JAM NUT,Jam, 3/4"-10, G5

- mtg. bolt, 3/4" N.C. hex. jam

1шт.

13

116-702

BOLT

BOLT - frt. & rear axle mtg., 3/4 x 8" N.F. hex. hd.

16шт.

14

131-18

TUBE NUT,7/8"-9, GB

NUT - mtg. bolt, 7/8" N.C. hex. lock

4шт.

15

113-800

BOLT - trans. mtg., 7/8 x 3-3/4" N.C. hex. hd.

4шт.

16

131-20

LOCK NUT,1"-8, GB

NUT - support bolt, 1" N.C. hex. (Essna)

4шт.

17

113-906

BOLT,Hex, 1" - 8 x 2-1/2", Gr 8, Full Thd

- support, 1 x 2-3/4" N.C. hex. hd.

4шт.

18

L10528

SUPPORT - transmission mounting L.H.

1шт.

19

A55186

SUPPORT - transmission mounting R.H.

1шт.

20

131-186

LOCK NUT,3/4"-16, GB

NUT - axle bolt, 3/4" N.F. hex. (Essna)

16шт.

21

A55122

SUPPORT - drawbar

1шт.

22

A56516

SHIM,.030" Thk

Drawbar support .030" Thk

1шт.

23

15-1248

X

BOLT - support, 3/4 x 3" N.C. hex. hd.

12шт.

24

131-16

LOCK NUT,3/4"-10, GB

LOCKNUT, , Support bolt 3/4"-10, GB

12шт.

25

A56535

DRAWBAR - implement

1шт.

26

A55133

U-BOLT - drawbar

1шт.

27

131-16

LOCK NUT,3/4"-10, GB

LOCKNUT, , Drawbar 3/4"-10, GB

2шт.

28

A56540

LEVER - drawbar latch

1шт.

29

138-172

LOCK PIN,3/8" x 1 1/4", Slotted

PIN, 3/8" x 1 1/4", Slotted

1шт.

30

A56523

PIN - implement attaching

1шт.

31

A55266

PIN - drawbar pivot

1шт.

32

13-816

BOLT,Hex, 1/2" - 13 x 1", Gr 5, Full Thd

Pivot pin Hex, 1/2"-13 x 1", G5, Full Thd

1шт.

33

92-8

LOCK WASHER,1/2"

1шт.

34

195-33

WASHER,1/2"

- plain, 1/2"

1шт.

35

L10307

TRUNNION ASSY. - front axle mounting, Includes: Ref. 36

1шт.

36

A12058

BUSHING,44.88mm ID x 53.92mm OD x 38.1mm L

- trunnion pivot

2шт.

37

A14001

PIN - trunnion mounting & pivot

2шт.

38

A14003

WASHER

"T" WASHER - mounting & pivot pin

2шт.

39

13-816

BOLT,Hex, 1/2" - 13 x 1", Gr 5, Full Thd

Pivot pin Hex, 1/2"-13 x 1", G5, Full Thd

4шт.

40

A15157

LOCK ASSY

LOCK - pivot pin bolt

2шт.

41

219-55

LUBE NIPPLE,90 Degree Elbow, 1/8" - 27 NPTF

NIPPLE, LUBE, 90º, 1/8" NPT x .84" lg

2шт.

43

A56110

ATTACHMENT - towing hook (Mach. item), Includes: Ref. 44 - 46

1шт.

44

13-1040

BOLT,Hex, 5/8" - 11 x 2-1/2", Gr 5

Hook mounting Hex, 5/8"-11 x 2 1/2", G5

3шт.

45

A56111

HOOK - towing (Use Ref. 43)

1шт.

46

25-1010

NUT,5/8"-11, G5

Hook bolt 5/8"-11, G5

3шт.

Выбрано товаров: 45