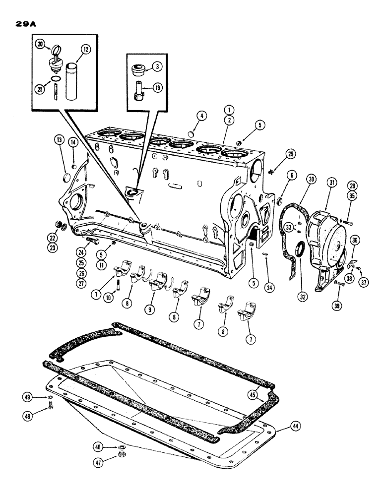
Запчасти Case IH 1200 (029) - CYLINDER BLOCK ASSEMBLY, W/CAMSHAFT DRIVE OIL PUMP, USED PRIOR ENG. S/N 2174160, (451) DIESEL ENGINE (02) - ENGINE

Схема запчастей Case IH 1200 - (029) - CYLINDER BLOCK ASSEMBLY, W/CAMSHAFT DRIVE OIL PUMP, USED PRIOR ENG. S/N 2174160, (451) DIESEL ENGINE (02) - ENGINE
35
27
8
36
9
31
5
7
4
25
10
49
48
45
39
24
3
5
2
28
12
37
1
8
26
7
7
47
44
5
13
21
34
33
38
6
11
29
20
14
46
19
23
32
8
22
30
FIT
1:1
100%

Артикул

Название

Примечание

Количество

1

A40870

BLOCK ASSY. - cylinder, short (Incl. stripped block assy,, pistons & rings, conn. rods & liners, camshaft & gear, crankshaft gear, oil pump, rear seal & retainer, tach. plug, sleeves and "O" rings & rod brgs.), Includes: Ref. 1 - 14

1шт.

2

A40869

BLOCK ASSY. - cylinder, stripped, Includes: Ref. 3 - 14

1шт.

3

A11195

PLUG

- tachometer, adapter

1шт.

4

41-1628

PLUG,Cup, 1 3/4", Stainless

- cup, cylinder block

1шт.

5

221-1843

PLUG

- 3/8" ctsk. hd. pipe

5шт.

6

41-1628

PLUG,Cup, 1 3/4", Stainless

- cup, cylinder block

1шт.

7

A24941

CAP

- crankshaft brg. (Wide)

3шт.

8

A24942

CYLINDER END CAP

CAP - crankshaft brg. (Narrow)

3шт.

9

A24943

CAP

- crankshaft brg. (Thrust)

1шт.

10

A27836

SPECIAL BOLT,5/8" - 11 x 3 1/4"

- crankshaft brg. cap

14шт.

11

221-41

PLUG

- pipe, 1/8" slotted hd.

3шт.

12

A34540

TUBE

SOCKET - oil level gauge

1шт.

13

A24361

PLUG

- cup, camshaft bore

1шт.

14

221-26

DRAIN PLUG,Sq Soc, 1"-11 1/2, NTPF

PLUG - pipe, 1" ctsk. hd.

1шт.

19

A24528

ADAPTER

- tachometer drive

1шт.

20

A34541

DIPSTICK

GAUGE ASSY. - oil level, Includes: Ref. 21

1шт.

21

F62075

O-RING,0.139" Thk x 0.734" ID, -210, Cl 5, 75 Duro

"O" RING - dipstick (3/4 x 1 x 1/8")

2шт.

22

25-1112

NUT,3/4"-16, G5

- 3/4" N.F. (Order w/Ref. 27)

2шт.

23

25-108

NUT,1/2"-13, G5

- 1/2" N.C. hex.

7шт.

24

13-816

BOLT,Hex, 1/2" - 13 x 1", Gr 5, Full Thd

2шт.

25

13-820

BOLT,Hex, 1/2" - 13 x 1-1/4", Gr 5, Full Thd

3шт.

26

13-832

BOLT,Hex, 1/2" - 13 x 2", Gr 5

3шт.

27

A20108

BOLT - 3/4 x 2-3/4" N.F. hex. hd. (Order w/Ref. 22)

2шт.

28

13-644

BOLT,Hex, 3/8" - 16 x 2-3/4", Gr 5

- 3/8 x 2-3/4" N.C. hex.

1шт.

29

A23656

COCK, DRAIN

VALVE - water drain, cyl. block

1шт.

30

A33018

GASKET

- timing gear cover

1шт.

31

A20718

COVER ASSY. - timing gear (use A57403), Includes: Ref. 32 - 34

1шт.

32

A57342

SEAL

- oil, timing gear cover (Replaces A23433)

1шт.

33

A27869

BUTTON - thrust

2шт.

34

A27840

PIN

- locating

2шт.

35

13-640

BOLT,Hex, 3/8" - 16 x 2-1/2", Gr 5

- 3/8 x 2-1/2" N.C. hex.

7шт.

36

A28218

POINTER - timing

1шт.

37

13-48

BOLT,Hex, 1/4" - 20 x 1/2", Gr 5

2шт.

38

193-44

LOCK WASHER,Ext-Int Tooth, 1/4"

WASHER - lock, 1/4" int. Shakeproof

2шт.

39

13-616

BOLT,Hex, 3/8" - 16 x 1", Gr 5, Full Thd

2шт.

44

A23638

PAN - engine oil (Can use A34982)

1шт.

45

A15391

GASKET

SET - oil pan

1шт.

46

A27927

OIL PAN GASKET SET

- drain plug, oil pan

1шт.

47

A14280

PLUG

- drain, oil pan

1шт.

48

13-614

BOLT,Hex, 3/8" - 16 x 7/8", Gr 5, Full Thd

Oil pan Hex, 3/8"-16 x 7/8", G5, Full Thd

32шт.

49

92-6

LOCK WASHER,3/8"

oil pan 3/8"

32шт.

Выбрано товаров: 41