Запчасти Case IH 1200 (120) - HYDROVAC BRAKE SYSTEM (07) - BRAKES

Схема запчастей Case IH 1200 - (120) - HYDROVAC BRAKE SYSTEM (07) - BRAKES
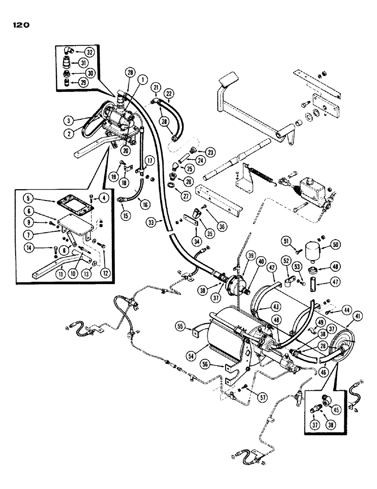
8
55
9
28
10
23
28
5
11
40
16
52
47
51
31
48
2
26
18
54
50
25
24
14
43
4
29
13
17
33
21
41
56
12
37
37
30
37
22
34
42
28
1
53
57
7
38
19
38
32
39
46
36
44
3
6
35
38
27
46
15
45
20
49
FIT
1:1
100%

Артикул

Название

Примечание

Количество

1

A18534

PUMP

ASSY. - hydrovac vacuum (Repairs, F. 123)

1шт.

2

L10747

PULLEY - vacuum pump drive

1шт.

3

L10746

BELT,44.00" L

Vacuum pump drive 44.00" L

1шт.

4

13-624

BOLT,Hex, 3/8" - 16 x 1-1/2", Gr 5

- pump mtg., 3/8 x 1-1/2" N.C. hex. hd.

4шт.

5

A18535

GASKET

- pump to base bracket

1шт.

6

A19580

BRACKET - pump mounting base

1шт.

7

A19497

ANGLE - adjusting strap mounting

1шт.

8

A18545

STRAP - pump adjusting

1шт.

9

13-612

BOLT,Hex, 3/8" - 16 x 3/4", Gr 5, Full Thd

Strap Hex, 3/8"-16 x 3/4", G5, Full Thd

1шт.

10

A18546

BOLT (SPREADER)

STUD - adjusting strap support

1шт.

11

A18542

BRACKET - vacuum pump mounting

1шт.

12

13-820

BOLT,Hex, 1/2" - 13 x 1-1/4", Gr 5, Full Thd

Bracket Hex, 1/2"-13 x 1 1/4", G5, Full Thd

2шт.

13

195-33

WASHER,1/2"

- plain, (Spacer) 1/2"

1шт.

14

13-720

BOLT,Hex, 7/16" - 14 x 1-1/4", Gr 5, Full Thd

Bracket Hex, 7/16"-14 x 1 1/4", G5, Full Thd

2шт.

15

221-1053

BUSHING

- reducer, 1/4" pipe to 3/8" taper

1шт.

16

A18574

HOSE - vacuum pump lube oil

1шт.

17

49774

CLAMP

CLIP - lube oil hose retaining

1шт.

18

L12266

BRACKET

- hose clip retaining

1шт.

19

13-412

BOLT,Hex, 1/4" - 20 x 3/4", Gr 5, Full Thd

Bracket Hex, 1/4"-20 x 3/4", G5, Full Thd

1шт.

20

222-23

FITTING,1/2"-24 x 1/4" NPTF w/Nut

CONNECTOR - hyd., #69 fl.-1/4" tube x 1/4" pipe

1шт.

21

A27489

ELBOW UNION

ELBOW - oil return hose 90 deg.

1шт.

22

A18551

HOSE,0.50" ID x 14.00", SAE 40R3A

0.50" ID x 14.00", SAE 40R3H - Pump oil return

1шт.

23

222-1005

NUT - inverted flare 1/2" tube

1шт.

24

L10265

TUBE - oil return hose 0.5 mm OD x 2 mm L

1шт.

25

222-1035

ELBOW - inverted flare 45 deg.-1/2" tube x 3/8" P.T.

1шт.

26

A18550

PLUG

- oil return hose

1шт.

27

A37947

X

GASKET - hose plug

1шт.

28

214-253

HOSE CLAMP,#10, 0.56" - 1.06", Type F Worm

CLAMP - hose, 9/16" to 1-1/16"

6шт.

29

221-1185

FITTING

NIPPLE - close, 1/2" pipe

1шт.

31

A18513

LOCK VALVE

VALVE ASSY. - check (Repairs, F. 125)

1шт.

32

A17852

ELBOW - suction hose 90 deg.

1шт.

33

A18533

HOSE

- vacuum pump to reservoir filter

1шт.

34

A19330

STRAP - vacuum hose support

1шт.

35

A27256

CLAMP

CLIP - vacuum hose retaining

3шт.

36

13-520

BOLT,Hex, 5/16" - 18 x 1-1/4", Gr 5

- clip & strap, 5/16 x 1-1/4" N.C. hex. hd.

2шт.

37

A18515

SUN VISOR

NIPPLE - hose to cleaner, 1/2" hose x 1/8" P.T.

3шт.

38

221-1011

DRAIN PLUG,Sq Hd, 1/8"-27 NPTF

PLUG - pipe, 1/8" sq. hd.

3шт.

39

A18532

CLEANER

FILTER ASSY. - vacuum pump air (Repairs, F. 125)

1шт.

40

221-1192

FITTING

NIPPLE - close, 1/2" pipe x 3"

1шт.

41

A18514

TANK

- hydrovac air reservoir

1шт.

42

A18516

STRAP - reservoir mounting

4шт.

43

75-436

SCREW,Rd, 1/4" - 20 x 2 1/4"

BOLT - strap, 1/4 x 2-1/4" N.C. stove

2шт.

44

13-512

BOLT,Hex, 5/16" - 18 x 3/4", Gr 5

Strap mounting Hex, 5/16"-18 x 3/4", G5, Full Thd

4шт.

45

221-1414

ELBOW,90 Degree, 1/2"-14, NPT

- street, 1/2" pipe (Galvinized)

1шт.

46

A55408

HOSE

- reservoir, Serial Range: tank-hydrovac

1шт.

47

L10745

HOSE - air, Serial Range: cleaner-hydrovac

1шт.

48

214-254

HOSE CLAMP,#12, 0.69" - 1.25", Type F Worm

CLAMP - hose, air cleaner

2шт.

49

A17542

CLAMP

CLIP - air cleaner, Serial Range: hose-frame

1шт.

50

A18529

CLEANER ASSY. - hydrovac air (Repairs, F. 125)

1шт.

51

113-102

BOLT,Hex, 5/16" - 18 x 3/4", Gr 5

Hex, 5/16"-18 x 3/4", G5, Full Thd, Cleaner mtg.

1шт.

52

A17543

CLIP - hose, Serial Range: retaining-frame

1шт.

53

113-113

BOLT,Hex, 5/16" - 18 x 7/8", Gr 5

. Clip mtg. Hex, 5/16"-18 x 7/8", G5, Full Thd

1шт.

54

A18554

CYLINDER

UNIT ASSY. - hydrovac (Repairs, F. 127 and 129)

1шт.

55

A18522

BRACKET - hydrovac mounting front

1шт.

56

A18521

BRACKET - hydrovac mounting rear

1шт.

57

13-616

BOLT,Hex, 3/8" - 16 x 1", Gr 5, Full Thd

Bracket Hex, 3/8"-16 x 1", G5, Full Thd

3шт.

Выбрано товаров: 56