Запчасти Case IH 1200 (122) - VACUUM PUMP (07) - BRAKES

Схема запчастей Case IH 1200 - (122) - VACUUM PUMP (07) - BRAKES
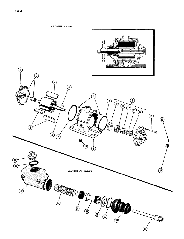
8
36
3
1
31
6
37
9
16
38
32
18
7
30
33
35
7
17
3
12
15
34
5
13
4
10
2
39
14
11
FIT
1:1
100%

Артикул

Название

Примечание

Количество

A18534

PUMP

ASSY. - hydrovac vacuum, Includes: Ref. 1 - 18

1шт.

1

25-114

NUT,1/4"-28, G5

- end bolt, 1/4" N.F. hex.

6шт.

2

L30005

PLATE ASSY.

- pump end rear (incl. bushing)

1шт.

3

A19722

KIT

VANE KIT - rotor (Set of 3)

1шт.

4

A19723

ROTOR ASSY. - pump (Incls. ball)

1шт.

5

126-16

WOODRUFF KEY,#9, 3/16" x 3/4"

Pulley mtg. #9, 3/16" x 3/4"

1шт.

6

A19724

DOWEL

PIN - dowel, end plate locating

2шт.

7

A19725

GASKET

- end plate

2шт.

8

L30006

HOUSING

ASSY. - pump (Incl. ball)

1шт.

9

A19732

PLATE ASSY. - pump end front, Includes: Ref. 10 - 14

1шт.

10

A19727

NO LONGER SERVICED

BAFFLE - fornt end plate

1шт.

11

A19728

BALL BEARING

BEARING - ball, rotor shaft

1шт.

12

A19729

SEAL

SEAL - oil, rotor shaft

1шт.

13

A19730

GASKET

- bearing

1шт.

14

A19731

FELT

WASHER - end plate (felt)

1шт.

15

14-472

BOLT,Hex, 1/4" - 28 x 4-1/2", Gr 5

- end plate, 1/4 x 4-1/2" N.F. hex. hd.

6шт.

16

132-49

COTTER PIN,1/8" x 1 1/8"

Pin, Split (Cotter), 1/8" x 1 1/8"

1шт.

17

25-238

SLOTTED NUT,1/2"-20, G5, Thk

NUT - pulley, 1/2" N.F. hex. castle

1шт.

18

221-1843

PLUG

- pipe, 3/8" hex. sckt. hd.

1шт.

A18557

CYLINDER

ASSY. - master brake, Includes: Ref. 30 - 39

1шт.

30

A19918

CAP

PLUG - filler, master cylinder

1шт.

31

A19755

GASKET

- filler plug, master cylinder

1шт.

32

NSS

NOT SOLD SEPARAT

BODY - cylinder (Order A18557), master

1шт.

33

A19803

SEAL

SPRING - piston pressure, master cylinder

1шт.

34

A19807

CUPEL

CUP - piston primart, master cylinder

1шт.

35

NSS

NOT SOLD SEPARAT

PISTON ASSY. - cylinder (Order A19919), master

1шт.

36

A19759

PLATE

- piston stop, master cylinder

1шт.

37

A19760

RING

LOCKWIRE - stop plate, master cylinder

1шт.

38

A19916

BOOT

- cylinder dust, master

1шт.

39

A25256

ROD - cylinder push, master

1шт.

A19919

KIT

REPAIR KIT - cylinder (Incl. Ref. 34, 35, 37 and 38), master

1шт.

Выбрано товаров: 31