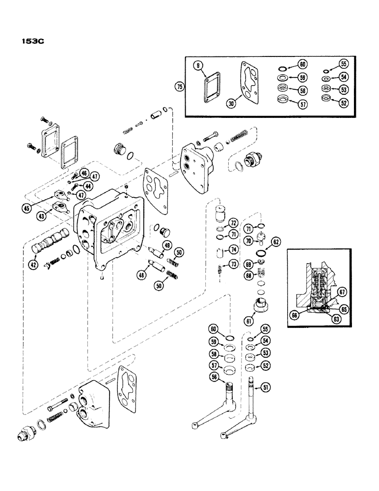
Запчасти Case IH 1200 (153C) - A34896 AUXILIARY VALVE, CONTINUED, FIRST TRACTOR SERIAL NUMBER 9806321 (08) - HYDRAULICS

Схема запчастей Case IH 1200 - (153C) - A34896 AUXILIARY VALVE, CONTINUED, FIRST TRACTOR SERIAL NUMBER 9806321 (08) - HYDRAULICS
61
62
50
60
75
49
9
70
68
43
63
53
73
42
60
55
51
72
48
47
65
58
55
57
52
46
50
30
56
45
47
71
54
67
59
71
57
44
58
54
69
53
74
66
52
59
FIT
1:1
100%

Артикул

Название

Примечание

Количество

A34896

VALVE ASSY. - auxiliary, non-float, Includes: Ref. 42 - 74

1шт.

42

A30874

SPOOL

- hyd. valve

2шт.

43

A30878

ARM

- spool shifter, lower (2-11/64" long) (For 3/4" dia. shaft w/48 serrations)

1шт.

44

72-416

SCREW

- mach, lower arm (1/4 x 1" N.C. Fill Hd.)

1шт.

45

A30887

ARM

- spool shifter, upper (1-31/32" long) (For 1/2" dia. shaft w/36 serrations)

1шт.

46

72-412

SCREW,Slotted Fil Hd, 1/4"-28 x 3/4"

- mach., upper arm, (1/4 x 3/4" N.F. Fill Hd.)

1шт.

47

92-4

LOCK WASHER,1/4"

WASHER, LOCK, 1/4"

2шт.

48

A33357

PLUNGER

- spool, lower, (w/out drilled hole)

1шт.

49

A33358

PLUNGER

- spool, upper (w/drilled hole)

1шт.

50

A30883

SPRING

- spool plunger

2шт.

51

A23387

LEVER

- spool shifter, (w/36 serrations)

1шт.

52

A30875

RETAINER

- felt seal

1шт.

Part of aux. valve repair kit P/N A25264

1шт.

53

A30853

WASHER

SEAL - (1/2 x 15/16 x 1/4" felt)

1шт.

Part of aux. valve repair kit P/N A25264

1шт.

54

A27409

WASHER

- felt seal, (23/64 x 63/64 x 20 ga.)

1шт.

Part of aux. valve repair kit P/N A25264

1шт.

55

A27410

O-RING,0.487" ID x 0.693" OD x 0.103"

"O" RING - lever, (1/2 x 11/16 x 3/32")

1шт.

Part of aux. valve repair kit P/N A25264

1шт.

56

A23357

SHAFT

LEVER - spool shifter, (w/48 serrations)

1шт.

57

A30880

RETAINER

- felt seal

1шт.

Part of aux. valve repair kit P/N A25264

1шт.

58

A30879

WASHER

SEAL - (3/4 x 1-3/16 x 1/4" felt)

1шт.

Part of aux. valve repair kit P/N A25264

1шт.

59

A30881

SEALING WASHER,19.45mm ID x 31.35mm OD

WASHER - felt seal, (49/64 x 1-15/64 x 20 ga.)

1шт.

Part of aux. valve repair kit P/N A25264

1шт.

60

A27365

O-RING,0.103" Thk x 0.75" ID, -116, Cl 5, 75 Duro

"O" RING - lever, (3/4 x 15/16 x 3/32")

1шт.

Part of aux. valve repair kit P/N A25264

1шт.

A34723

VALVE

ASSY. - pilot relief (incl. Refs. 4, 6 and 61 - 74)

1шт.

61

A34392

PLUG

- pilot relief valve

1шт.

62

218-5008

O-RING,0.116" Thk x 0.924" ID, -912, Cl 6, 90 Duro

"O" RING - hyd. fitting, (3/4" O.D.)

1шт.

63

A34391

SHIM,.0149" Thk

Pilot relief spring, (28 ga. C.R. sheet steel) .0149" Thk

1шт.

63

A34390

SHIM,.0329" Thk

Pilot relief spring, (21 ga. C.R. sheet steel) .0329" Thk

1шт.

65

A34694

SHIM,.0201" Thk

Pilot relief spring (24 ga. sheet brass) .0201" Thk

1шт.

66

A34817

SHIM,.0149" Thk

Pilot relief spring, (28 ga. C.R. sheet steel) .0149" Thk

1шт.

67

A34839

WHEEL

SHIM - pilot relief spring, (31ga. C.R. sheet steel)

1шт.

68

A34492

SPRING

- valve, outer (23/32" free length)

1шт.

69

A34816

X

RETAINER - pilot relief valve spring

1шт.

70

A34814

PISTON

ASSY. - pilot relief valve

1шт.

71

A17526

O-RING,0.614" ID x 0.754" OD x 0.7"

"O" RING - sleeve & ret. (5/8 x 3/4 x 1/16")

2шт.

72

A34493

RING,16.33mm ID x 19.02mm OD x 1.25mm Thk

SEAL - sleeve (inner)

1шт.

73

A34382

SPRING

- valve, inner (1" free length)

1шт.

74

A34487

X

PISTON - pilot relief valve

1шт.

75

A25264

SEAL

REPAIR KIT - aux. valve, Includes: Ref. 52 - 55 and 57 - 60

1шт.

Выбрано товаров: 44