Запчасти Case IH 1200 (272) - THREE POINT HITCH HYDRAULIC SYSTEM (08) - HYDRAULICS

Схема запчастей Case IH 1200 - (272) - THREE POINT HITCH HYDRAULIC SYSTEM (08) - HYDRAULICS
3
37
13
46
24
26
40
32
12
36
2
40
46
45
11
25
14
22
39
21
18
35
41
15
20
43
8
45
1
27
9
5
16
42
7
23
19
4
33
2
30
41
44
28
44
29
17
10
34
38
6
29
FIT
1:1
100%

Артикул

Название

Примечание

Количество

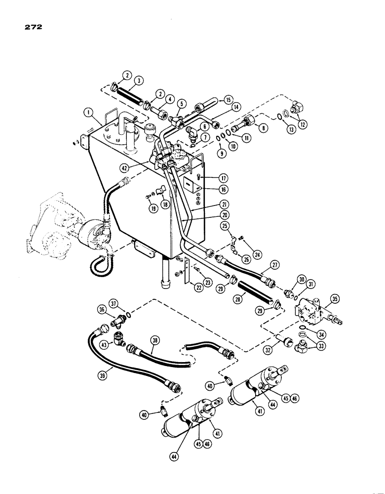
1

A55272

RESERVOIR ASSY. - hyd. oil (Repair, F. 255)

1шт.

2

214-256

HOSE CLAMP,#20, 0.81" - 1.75", Type F Worm

CLAMP - hose, 1-3/16" to 1-3/4"

2шт.

3

A56347

HOSE - control, Serial Range: valve-reservoir

1шт.

4

A55694

TUBE - valve hose return

1шт.

5

A56350

X

TEE - valve to reservoir swivel

1шт.

6

A55678

X

ELBOW ASSY. - valve outlet, Includes: Ref. 7

1шт.

7

218-5008

O-RING,0.116" Thk x 0.924" ID, -912, Cl 6, 90 Duro

"O" RING - elbow, 3/4 x 59/64 x 1/8"

1шт.

8

L10045

FITTING ASSY. - high pressure carry-over, Includes: Ref. 9 - 11

1шт.

9

A15888

O-RING,0.801" ID x 0.941" OD x 0.07"

"O" RING - high press, fitting

1шт.

10

A25298

RING

- back-up, fitting

1шт.

11

218-5008

O-RING,0.116" Thk x 0.924" ID, -912, Cl 6, 90 Duro

"O" RING - press. fitting, 3/4 x 59/64 x 1/8"

1шт.

12

A56341

ELBOW

ASSY. - outlet, valve pressure, Includes: Ref. 13

1шт.

13

218-5008

O-RING,0.116" Thk x 0.924" ID, -912, Cl 6, 90 Duro

"O" RING - elbow, 3/4 x 59/64 x 1/8"

1шт.

14

A56342

TUBE ASSY. - pressure, Serial Range: elbow-junction

1шт.

15

A56349

TUBE ASSY. - return, Serial Range: draft-remote

1шт.

16

A56346

BRACKET - support, press. & return tube

1шт.

17

13-832

BOLT,Hex, 1/2" - 13 x 2", Gr 5

Bracket Hex, 1/2"-13 x 2", G5

1шт.

18

R15257

CLAMP

- press. & return, Serial Range: tubes-support

1шт.

19

13-524

BOLT,Hex, 5/16" - 18 x 1-1/2", Gr 5

- clamp, 5/16 x 1-1/2" N.C., hex

1шт.

20

A56343

TUBE ASSY. - junc. to draft press. hose

1шт.

21

A56348

TUBE ASSY. - return, Serial Range: draft-remote

1шт.

22

A56351

ANGLE - support, press, & return tube

1шт.

23

13-524

BOLT,Hex, 5/16" - 18 x 1-1/2", Gr 5

- angle, 5/16 x 1" N.C., hex hd

2шт.

24

13-416

BOLT,Hex, 1/4" - 20 x 1", Gr 5

Clamp Hex, 1/4"-20 x 1", G5

2шт.

25

A13680

CLAMP - draft pressure tube

1шт.

26

A12308

CLAMP

- draft return tube

1шт.

27

A56344

HOSE - hydraulic, Serial Range: press.-draft

1шт.

28

A55679

HOSE -, Serial Range: draft-remote

1шт.

29

214-256

HOSE CLAMP,#20, 0.81" - 1.75", Type F Worm

CLAMP - hose, 1-3/16" x 1-3/4

2шт.

30

A56345

X

CONNECTOR ASSY. - valve press inlet, Includes: Ref. 31

1шт.

31

218-5008

O-RING,0.116" Thk x 0.924" ID, -912, Cl 6, 90 Duro

"O" RING - connector, 3/4 x 59/64 x 1/8"

1шт.

32

A55694

TUBE ASSY. - return hose

1шт.

33

A12315

X

ELBOW ASSY. - valve return outlet, Includes: Ref. 34

1шт.

34

218-5010

O-RING,0.116" Thk x 1.171" ID, -916, Cl 6, 90 Duro

"O" RING - elbow, 1-11/64 x 1-13/32 x 7/64"

1шт.

35

L10043

VALVE

ASSY. - depth & position (Repairs, F. 275)

1шт.

36

A56354

TEE ASSY. - valve to cyl. hose, Includes: Ref. 37

1шт.

37

218-5009

O-RING,0.116" Thk x 1.048" ID, -914, Cl 6, 90 Duro

"O" RING - tee, 1-31.64 x 1-9/32 x 7/64"

1шт.

38

A56352

HOSE - valve to hitch R.H. cylinder

1шт.

39

A56353

HOSE - valve to hitch L.H. cylinder

1шт.

40

218-546

ELBOW,45 Degree, 1 1/16-12" 37 Degree x 1/2"-14, NPTF

- 45 deg., 3/4" tube x 1/2" P.T.

2шт.

41

A56414

CYLINDER ASSY. - hitch (Repairs, F. 277)

2шт.

42

A56427

VALVE ASSY. - remote hvd. (Repairs, F. 257)

1шт.

43

L10291

X

ELBOW - swivel, 90 deg. - 37 deg. flare

1шт.

44

A27173

BREATHER

ASST. - cylinder

2шт.

45

221-1412

ELBOW,90 Degree, 1/4"-27, NPT

2шт.

46

221-1055

REDUCER,Hex, 1/2" x 1/4" NPT

BUSHING - reducing, 1/2" to 1/4" taper P.T.

2шт.

Выбрано товаров: 46