Запчасти Case IH 1200 (280) - HITCH COUPLER ASSEMBLY (09) - CHASSIS

Схема запчастей Case IH 1200 - (280) - HITCH COUPLER ASSEMBLY (09) - CHASSIS
13
5
1
2
3
1
4
5
6
2
9
18
7
21
6
10
15
5
19
12
1
6
9
17
1
22
20
16
7
2
7
8
23
14
FIT
1:1
100%

Артикул

Название

Примечание

Количество

L10171

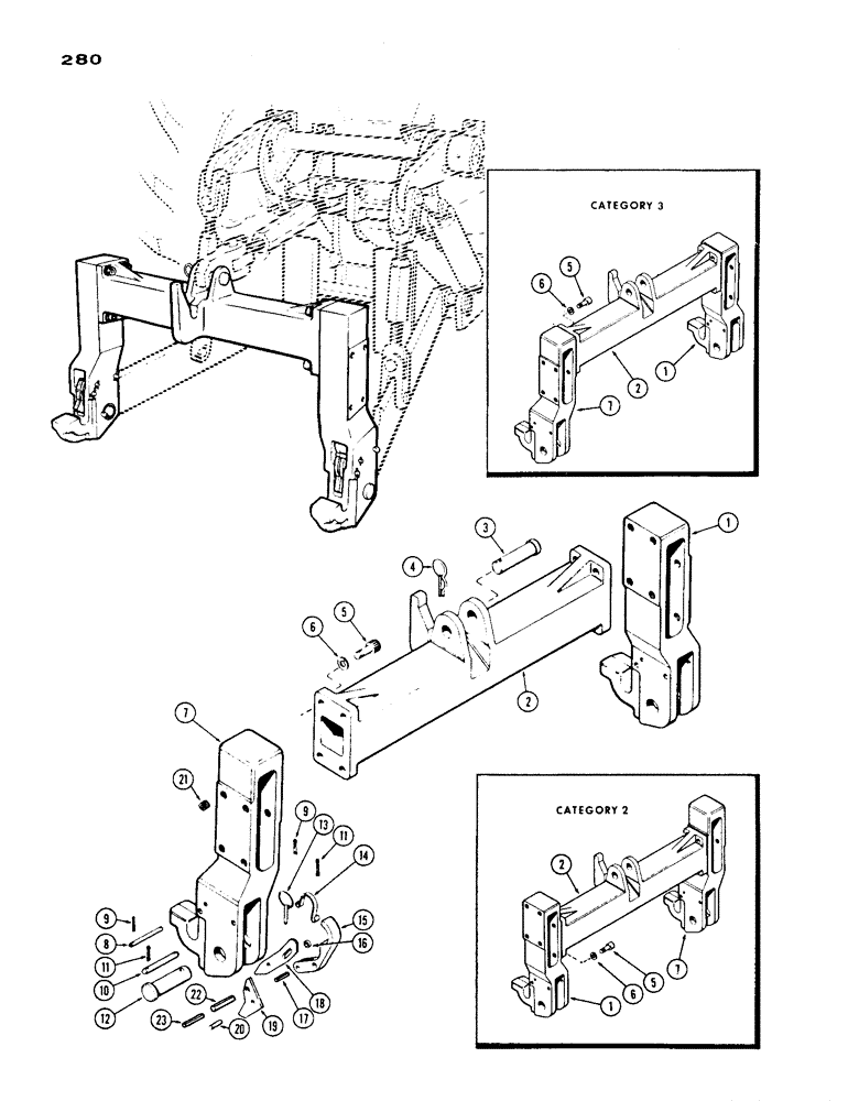
COUPLER ASSY. - hitch, Includes: Ref. 1 - 23

1шт.

1

L10173

FRAME - coupler R.H. side

1шт.

2

L10172

FRAME - coupler middle

1шт.

3

A56401

PIN

- swivel

1шт.

4

A56393

PIN

- hair cotter

1шт.

5

166-133

SCREW,Flg, 3/4" x 1 3/4"

- cap, 3/4" x 1-3/4" N.C., 12 pt. ferry hd.

8шт.

6

92-12

LOCK WASHER,3/4"

WASHER, LOCK, 3/4"

8шт.

7

L10174

FRAME - coupler L.H. side

1шт.

8

L10261

PIN

- anchor spring

2шт.

9

132-26

COTTER PIN

Pin, Split (Cotter), 3/32" x 3/4"

4шт.

10

L10262

PIN

- pivot

2шт.

11

132-48

COTTER PIN,1/8" x 1"

Pin, Split (Cotter), 1/8" x 1"

4шт.

12

L10181

X

PIN - lower hitch

2шт.

13

D33805

PIN

- keeper

2шт.

14

L10263

SPRING

- activator

4шт.

15

L10175

HANDLE

- release

2шт.

16

A29701

BUSHING

SPACER - release actuator

2шт.

17

L10264

BUSHING

SPACER - actuator

2шт.

18

L10088

PLATE

ASSY. - actuator release (w/pin)

2шт.

19

L10177

PLATE

- implement lock

4шт.

20

138-176

LOCK PIN,3/8" x 1 3/4", Slotted

Pin, 3/8" x 1 3/4", Slotted

2шт.

21

83-1210

SCREW - set, 3/4" x 5/8" hex. socket

8шт.

22

138-208

LOCK PIN,1/2" x 2 1/2", Slotted

PIN, 1/2" x 2 1/2", Slotted

2шт.

23

138-163

LOCK PIN,5/16" x 2 1/2", Slotted

PIN, 5/16" x 2 1/2", Slotted

2шт.

Выбрано товаров: 24